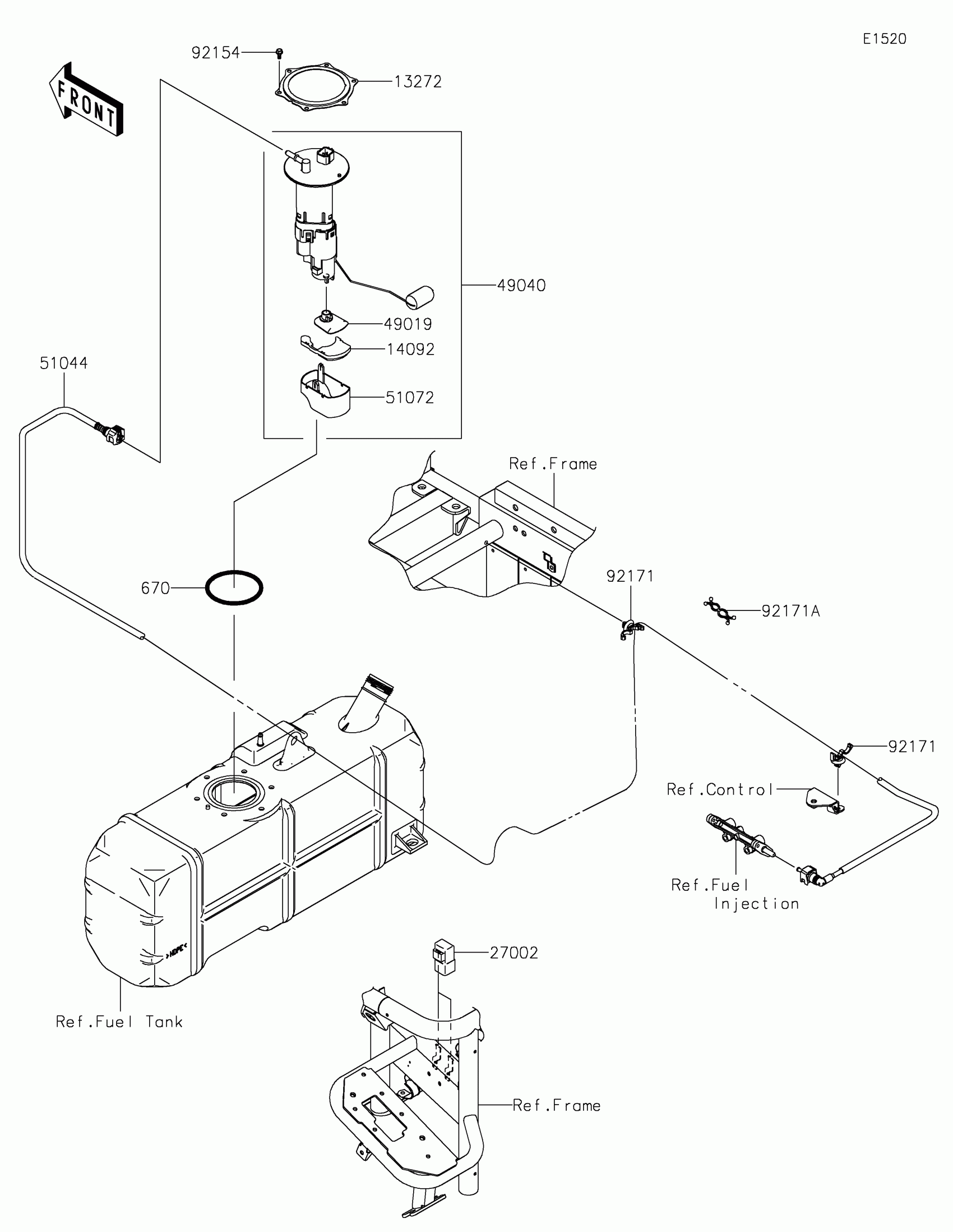
Partiron

Kawasaki MULE 4000 TRANS™ Fuel Pump Diagram

#

Description
Price

13272

PLATE

13272-1398

$6.84

14092

COVER

14092-1044

$30.60

27002

RELAY-ASSY

27002-1088

$42.06

49019

FILTER-FUEL

49019-0013

$16.56

49040

PUMP-FUEL

49040-0718

$824.04

51044

TUBE-ASSY,FUEL

51044-0897

$257.96

51072

CHAMBER-FUEL

51072-0003

$46.00

92154

BOLT,FUEL PUMP

92154-1326

$0.95

92171

CLAMP

92171-0453

$3.54

92171A

CLAMP

92171-0476

$3.90

670

O RING

670E5090

$30.75