- Partiron
- OEM Parts
- Kawasaki
- side-x-side
- 2007
- Mule 3010 Trans4x4
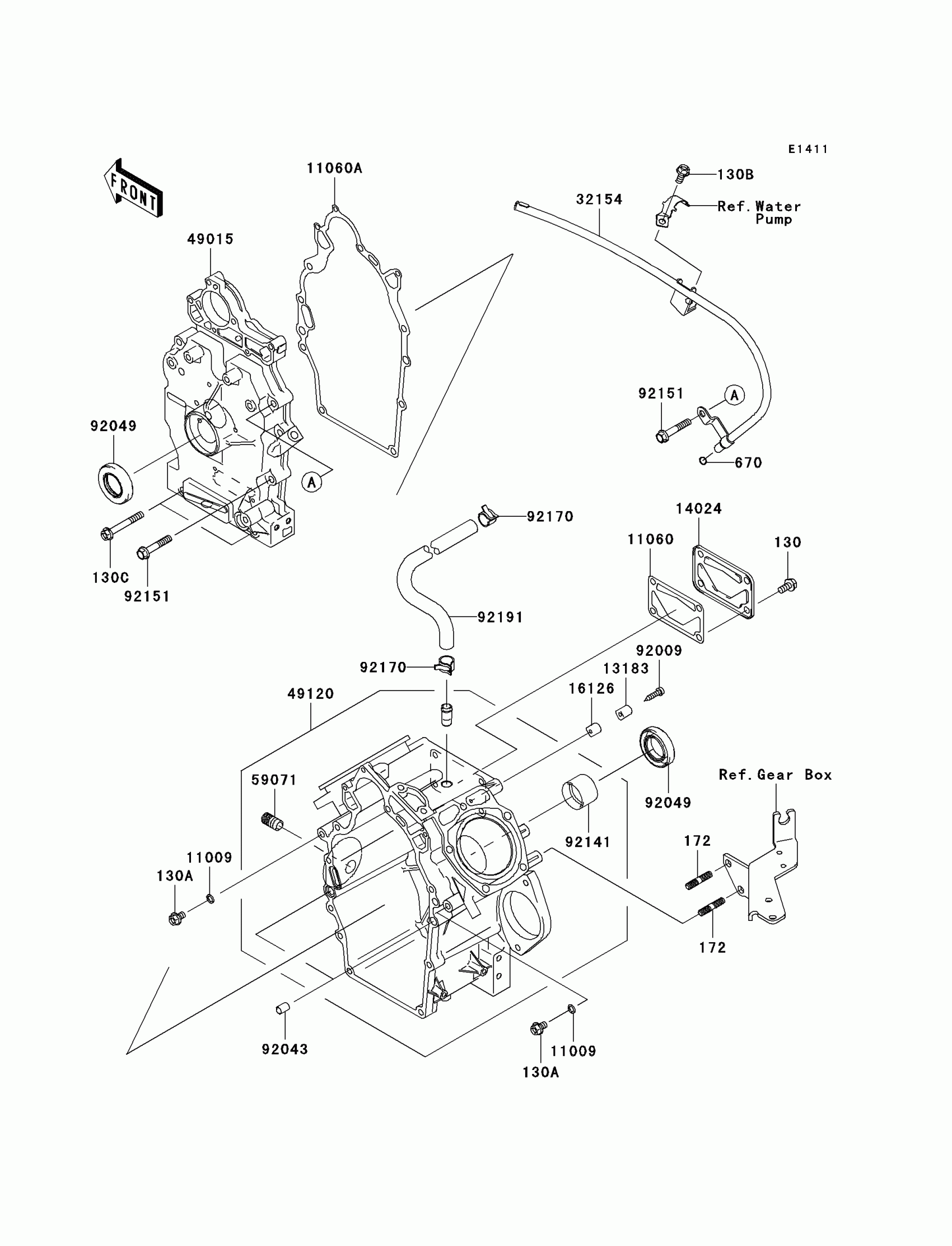
Crankcase
Kawasaki Mule 3010 Trans4x4 Crankcase Diagram
#
Description
Price
130
BOLT-FLANGED,8X16
130B0816
Unavailable
130A
BOLT-FLANGED,8X12,BLACK
130C0812
Unavailable
130B
BOLT-FLANGED,8X16
130G0816
Unavailable
130C
BOLT-FLANGED
130T0860
Unavailable
49015
COVER-CRANKCASE
49015-6193
Unavailable
49120
CRANKCASE-COMP
49120-6078
Unavailable
92049
SEAL-OIL
92049-2110
Unavailable
92141
BEARING-PLANE
92141-2110
Unavailable
