Kawasaki Mule 3010 Diesel 4X4 Frame Diagram
#
Description
Price
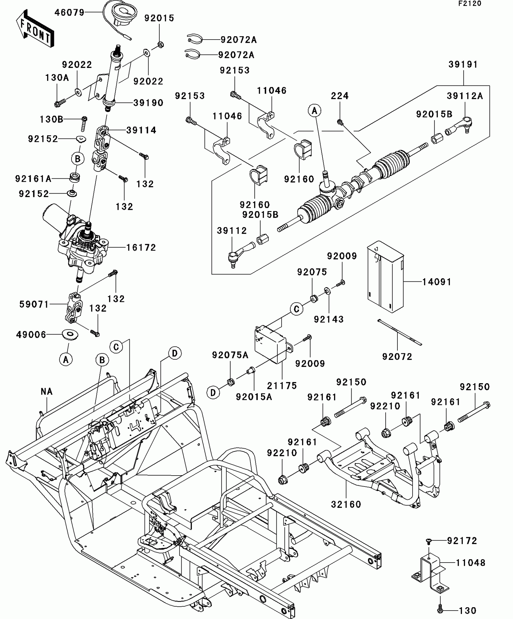
11046
BRACKET,STEERING GEAR
11046-1858
Unavailable
32160
FRAME-COMP,RR
32160-7502
Unavailable
32160A
Not Available For This Vehicle | Includes 7 to 14
n/a
Unavailable
92161
DAMPER
92161-1126
Unavailable
