- Partiron
- OEM Parts
- Kawasaki
- side-x-side
- 2007
- Mule 3010 4x4 Hardwoods Green HD
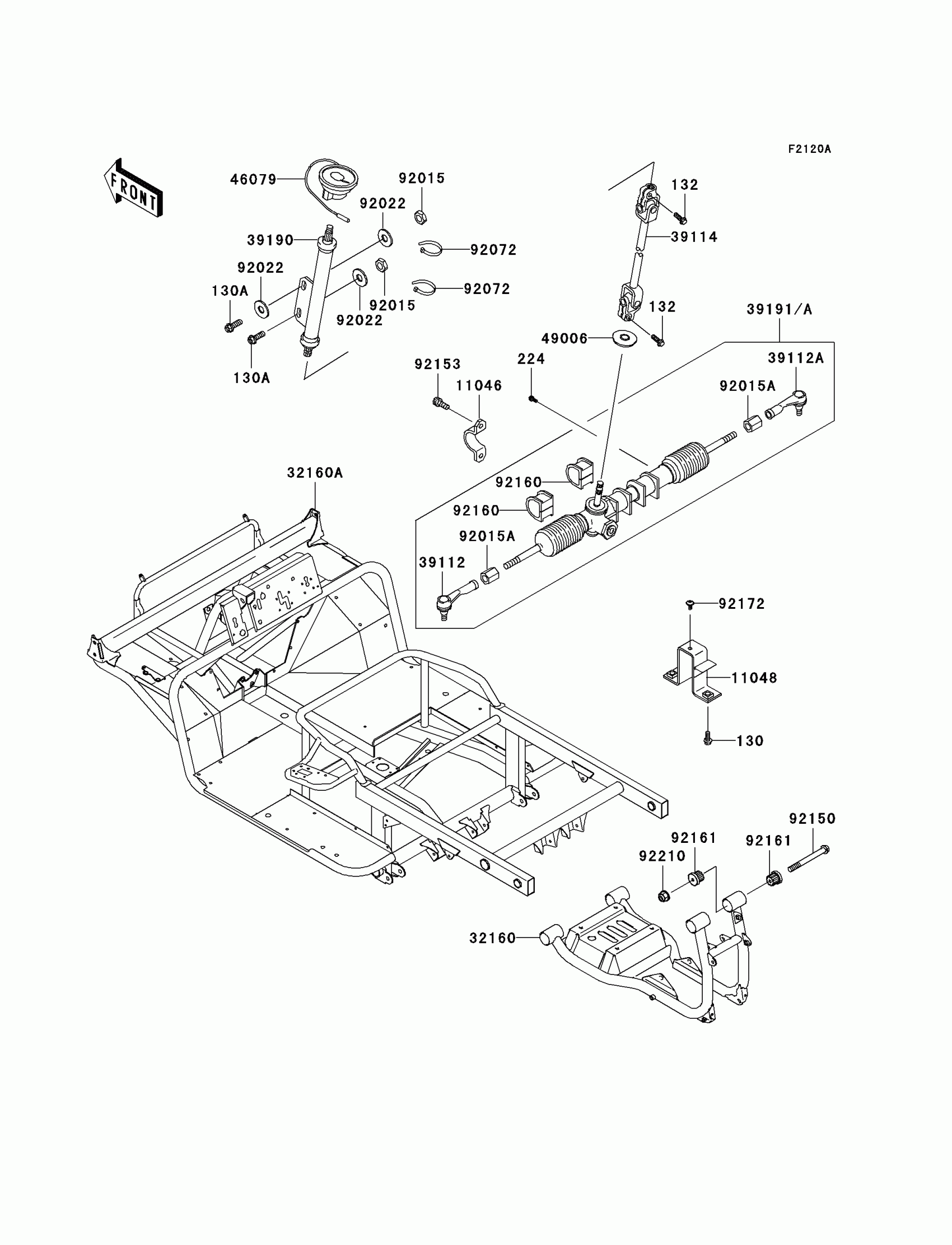
Frame(H2/H3)
Kawasaki Mule 3010 4x4 Hardwoods Green HD Frame(H2/H3) Diagram
#
Description
Price
11046
BRACKET,STEERING GEAR
11046-1858
Unavailable
32160
FRAME-COMP,RR
32160-0004
Unavailable
32160A
Not Available For This Vehicle | Includes 7 to 14
n/a
Unavailable
92161
DAMPER
92161-1126
Unavailable
