Kawasaki Mule 1000 Frame Diagram
#
Description
Price
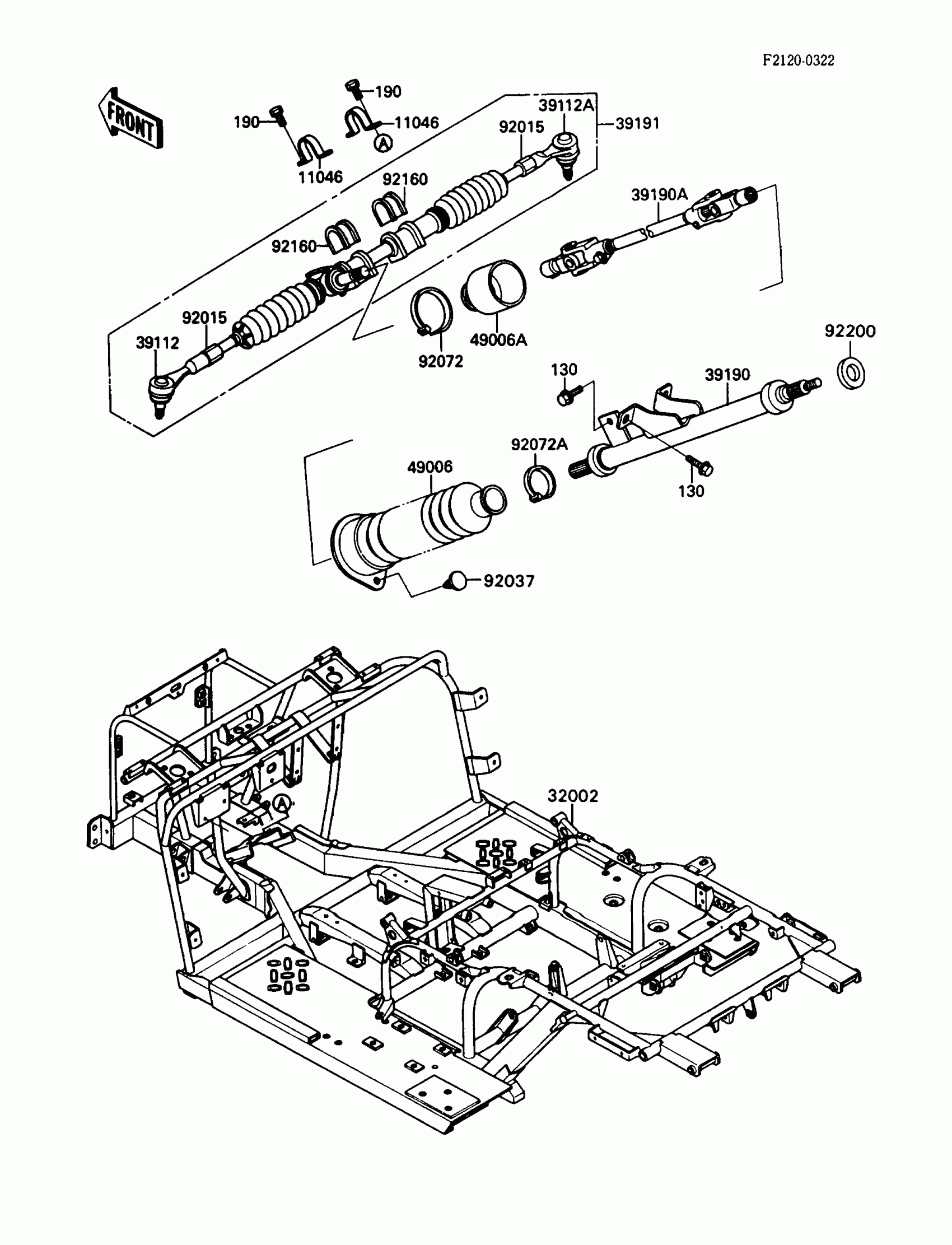
11046
BRACKET,STEERING GEAR
11046-1858
Unavailable
39191
GEAR-ASSY-STEERING
39191-1001
Unavailable
49006
BOOT,STEERING SHAFT,UPP
49006-1224
Unavailable
49006A
BOOT,STTERING SHAFT,LWR
49006-1225
Unavailable
92037
CLAMP
92037-1936
Unavailable
