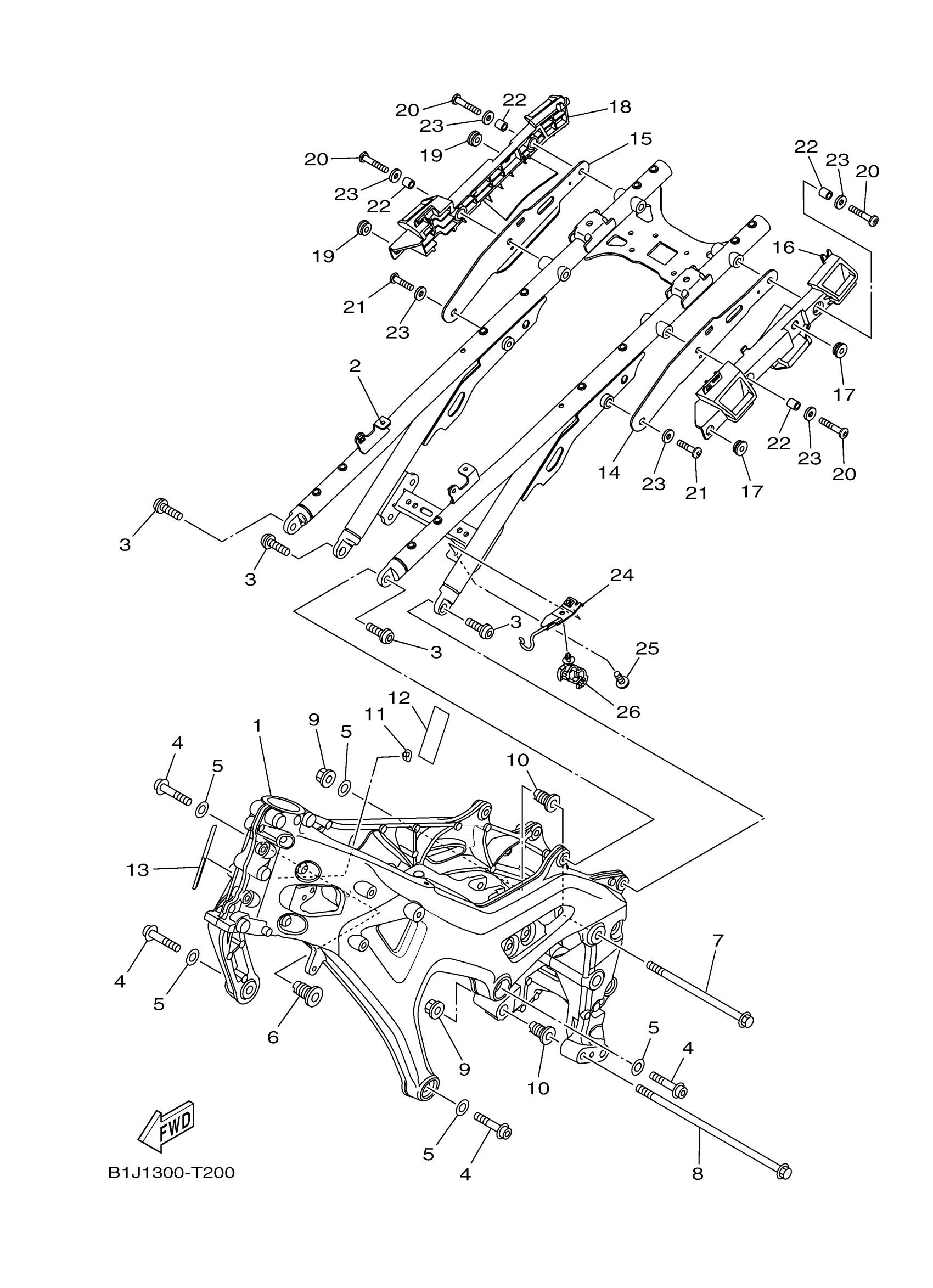
Yamaha MTT9GTKCB (TRACER 900 GT CA) B1J4 2019 FRAME Diagram
#
Description
Price
1
FRAME COMP.
B1J-21110-00-00
Unavailable
2
REAR FRAME COMP.
B5C-21190-00-00
Unavailable
6
BOLT, ENGINE ADJUSTING
1RC-21495-00-00
Unavailable
7
BOLT, FLANGE
90105-10391-00
Unavailable
8
BOLT, FLANGE
90105-10437-00
Unavailable
10
BOLT, ENGINE ADJUSTING
4C8-21495-00-00
Unavailable
14
REINF., FRAME RR.
B5C-21214-00-00
Unavailable
15
REINF., FRAME RR.
B5C-21224-00-00
Unavailable
16
STAY 3
B5C-2164H-00-00
Unavailable
17
GROMMET
90480-13014-00
Unavailable
18
STAY 4
B5C-2164J-00-00
Unavailable
19
GROMMET
90480-13014-00
Unavailable
20
SCREW(1KH)
90149-08220-00
Unavailable
21
BOLT (3XF1)
90110-08220-00
Unavailable
22
COLLAR
90387-08077-00
Unavailable
23
WASHER, PLATE(JA8)
90201-087P8-00
Unavailable
24
HOLDER
B1J-22465-00-00
Unavailable
25
BOLT,HEX. SOCKET BUTTON
90111-06103-00
Unavailable
26
CLAMP
90464-13249-00
Unavailable
