- Partiron
- OEM Parts
- Yamaha
- motorcycle
- 2019
- MTT9GTKCB (TRACER 900 GT CA) B1J4 2019
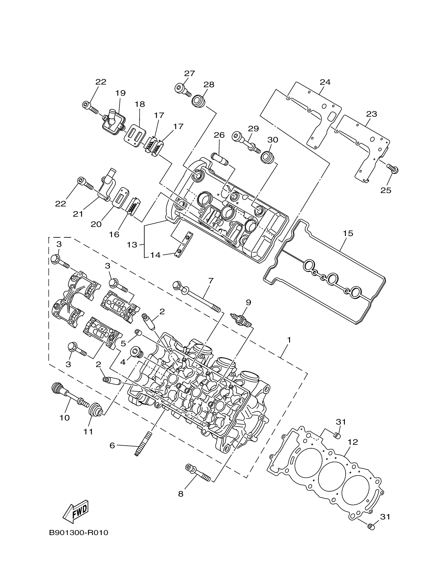
CYLINDER HEAD
Yamaha MTT9GTKCB (TRACER 900 GT CA) B1J4 2019 CYLINDER HEAD Diagram
#
Description
Price
1
CYLINDER HEAD ASSY
B90-11101-09-00
Unavailable
9
CPR9E-9 NGK SPLUG 10 PK
CPR-9EA90-00-00
Unavailable
13
COVER, CYLINDER HE
1RC-11191-01-00
Unavailable
16
PLATE
5JW-1482K-01-00
Unavailable
17
PLATE
5VY-1482K-00-00
Unavailable
18
REED VALVE ASSY
5SL-14890-00-00
Unavailable
19
CAP, CASE
5SL-14899-00-00
Unavailable
20
REED VALVE ASSY
5PS-14890-00-00
Unavailable
21
CAP, CASE
5JW-14889-00-00
Unavailable
22
BOLT,SOCKET HEAD
91314-06020-00
Unavailable
23
PLATE, BREATHER
B90-11165-00-00
Unavailable
24
GASKET, BREATHER COVER
1RC-11169-00-00
Unavailable
25
SCREW
90149-05038-00
Unavailable
26
PIPE, BREATHER 2
4TR-11167-00-00
Unavailable
27
BOLT(4BP)
90109-066F0-00
Unavailable
29
BOLT
90109-06271-00
Unavailable
31
PIN, DOWEL
99530-12016-00
Unavailable
