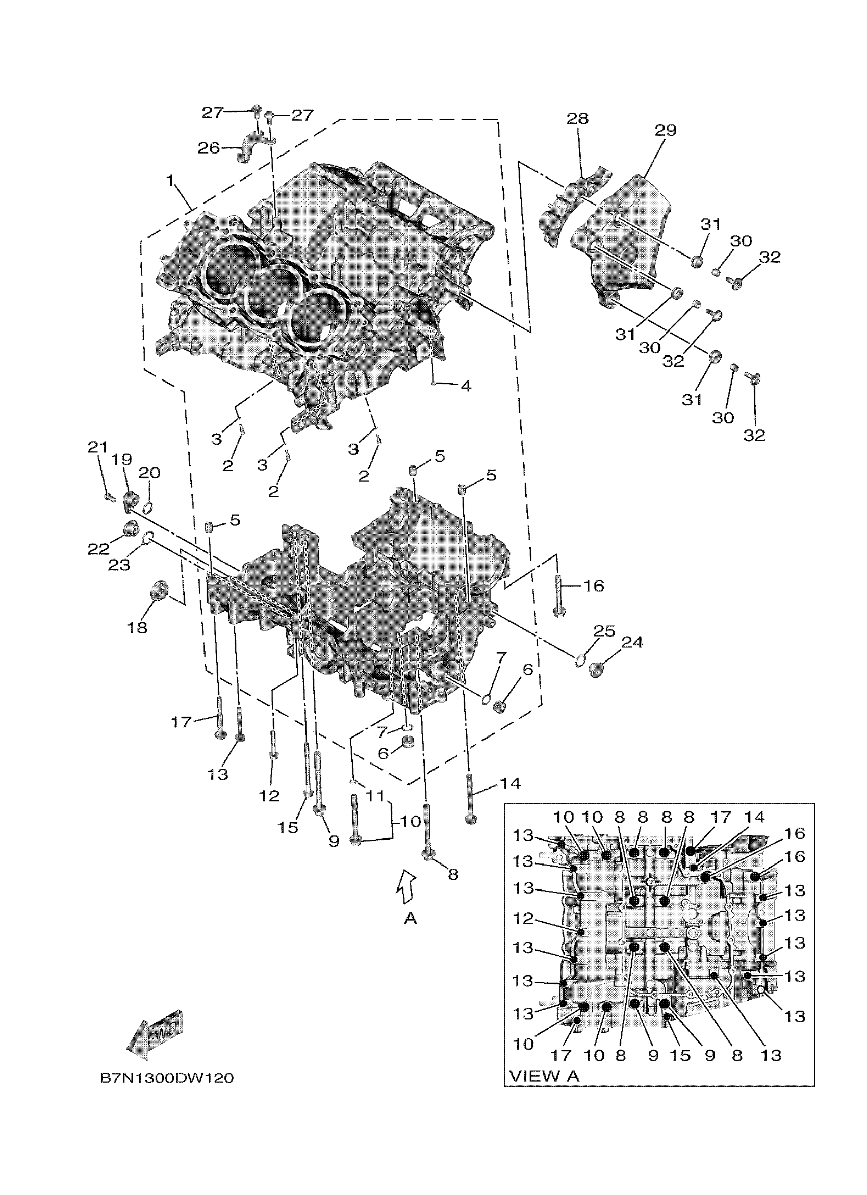
Yamaha MTT9GPRGY (TRACER 9 GT) BLG4 2024 CRANKCASE Diagram
#
Description
Price
1
CRANKCASE ASSY
B7N-15100-09-00
Unavailable
4
NOZZLE 1
B7N-15138-00-00
Unavailable
14
BOLT, FLANGE
95812-06065-00
Unavailable
16
BOLT, FLANGE
95817-08060-00
Unavailable
17
BOLT
90109-06100-00
Unavailable
18
GAUGE, LEVEL
2H7-15361-00-00
Unavailable
19
JOINT
2CR-15319-01-00
Unavailable
20
O-RING(36Y)
93210-13657-00
Unavailable
21
SCREW
90149-06068-00
Unavailable
22
PLUG
36Y-15189-01-00
Unavailable
23
O-RING(1L9)
93210-16325-00
Unavailable
24
PLUG, STRAIGHT SCREW
90340-14011-00
Unavailable
25
O-RING (2H9)
93210-14369-00
Unavailable
26
HOLDER, CLUTCH CAB
B7N-15441-00-00
Unavailable
27
BOLT, HEXAGON SOCKET HEAD
90110-06107-00
Unavailable
28
GUIDE, INLET
B7N-15377-00-00
Unavailable
29
COVER, CHAIN CASE
B7N-15418-00-00
Unavailable
30
COLLAR
90387-06286-00
Unavailable
31
GROMMET (462)
90480-13018-00
Unavailable
32
BOLTHEX. SOCKET BUTTON
90111-06188-00
Unavailable
