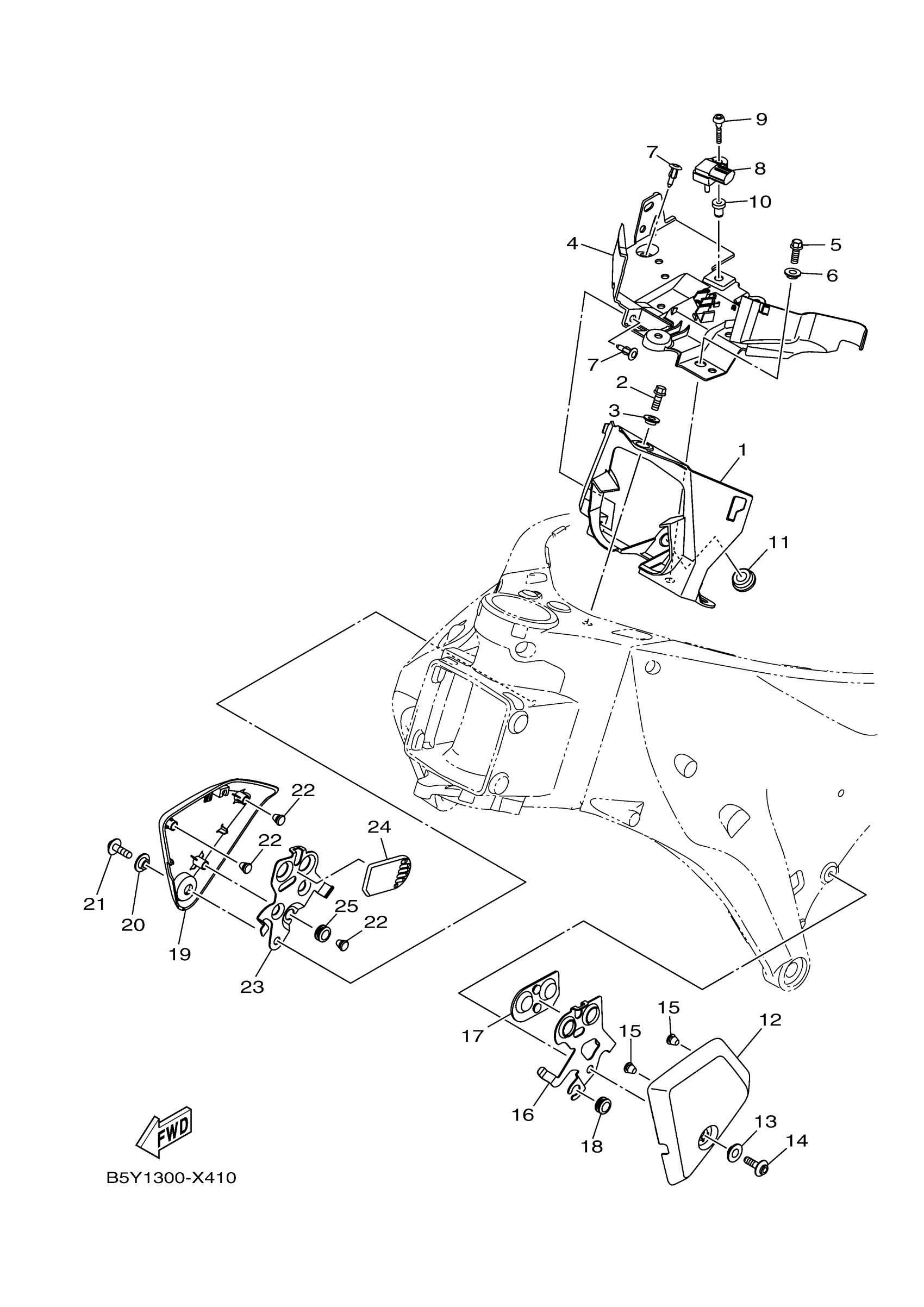
Yamaha MT10SPRS (MT10 SP) BGGE 2024 COWLING 2 Diagram
#
Description
Price
1
DUCT 4
B5Y-2838U-00-00
Unavailable
12
COVER 1
B5Y-2842M-00-00
Unavailable
16
BRACKET 11
B5Y-2833H-00-00
Unavailable
17
DAMPER
B67-21488-00-00
Unavailable
18
GROMMET
90480-11006-00
Unavailable
19
COVER 2
B5Y-2842N-00-00
Unavailable
23
BRACKET 12
B5Y-2833J-00-00
Unavailable
24
DAMPER
B67-21488-00-00
Unavailable
25
GROMMET
90480-11006-00
Unavailable
