Partiron

Yamaha MT10NGY (MT10) B5Y20 2022 STARTING MOTOR Diagram

#

Description
Price

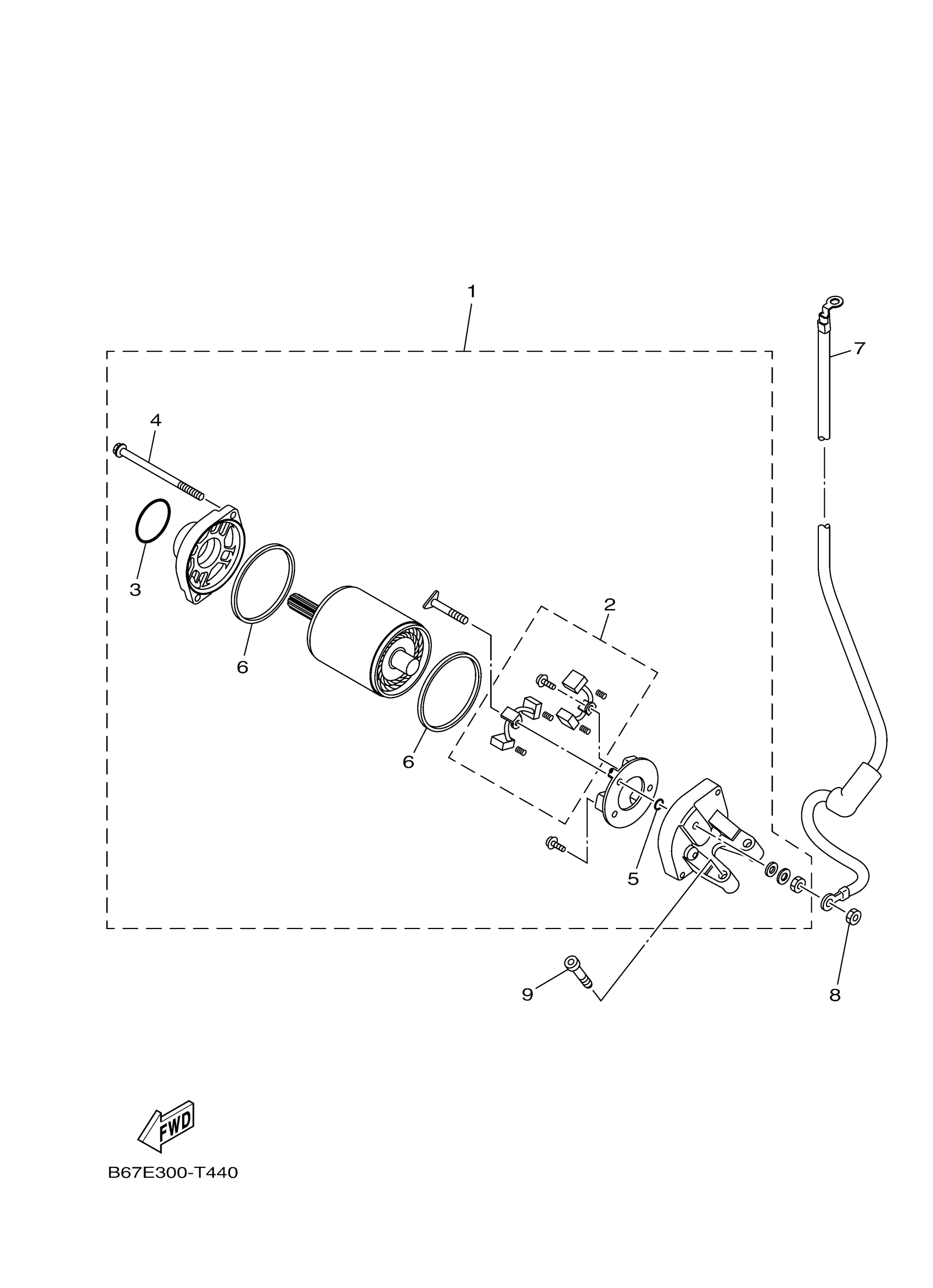
1

MOTOR ASSY

2CR-81890-11-00

Unavailable

2

BRUSH SET

2CR-81801-10-00

Unavailable

3

O-RING 1

5VV-H182L-00-00

Unavailable

4

SCREW

2CR-81846-00-00

Unavailable

5

O-RING (26H)

93210-06632-00

$8.49

6

GASKET

2CR-81861-10-00

$7.99

7

CORD COMP.

B5Y-8183G-00-00

Unavailable

8

NUT(650)

95380-06700-00

$8.49

9

BOLT, HEXAGON SOCKET HEAD(1VJ)

90110-06138-00

$5.60