Partiron

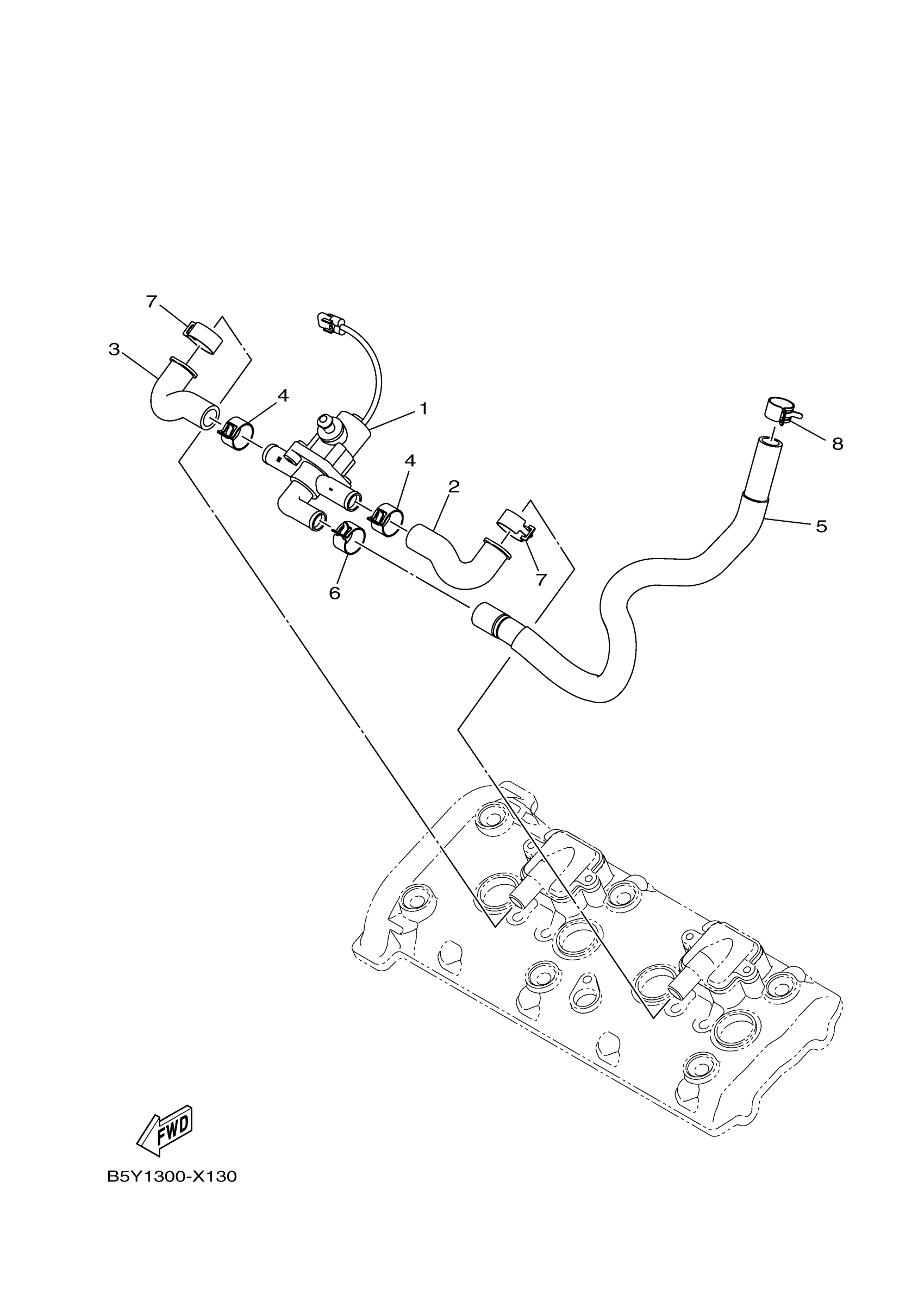
Yamaha MT10NGY (MT10) B5Y20 2022 AIR INDUCTION SYSTEM Diagram

#

Description
Price

1

AIR CUT VALVE ASSY

4C8-14840-00-00

Unavailable

2

HOSE, BEND 1

4C8-14881-01-00

$18.49

3

HOSE, BEND 2

4C8-14882-01-00

Unavailable

4

CLIP

90467-18172-00

Unavailable

5

HOSE, BEND 3

B5Y-14883-00-00

Unavailable

6

CLIP

90467-18172-00

Unavailable

7

CLIP

90467-180A0-00

$8.49

8

CLIP

90467-17003-00

$5.60