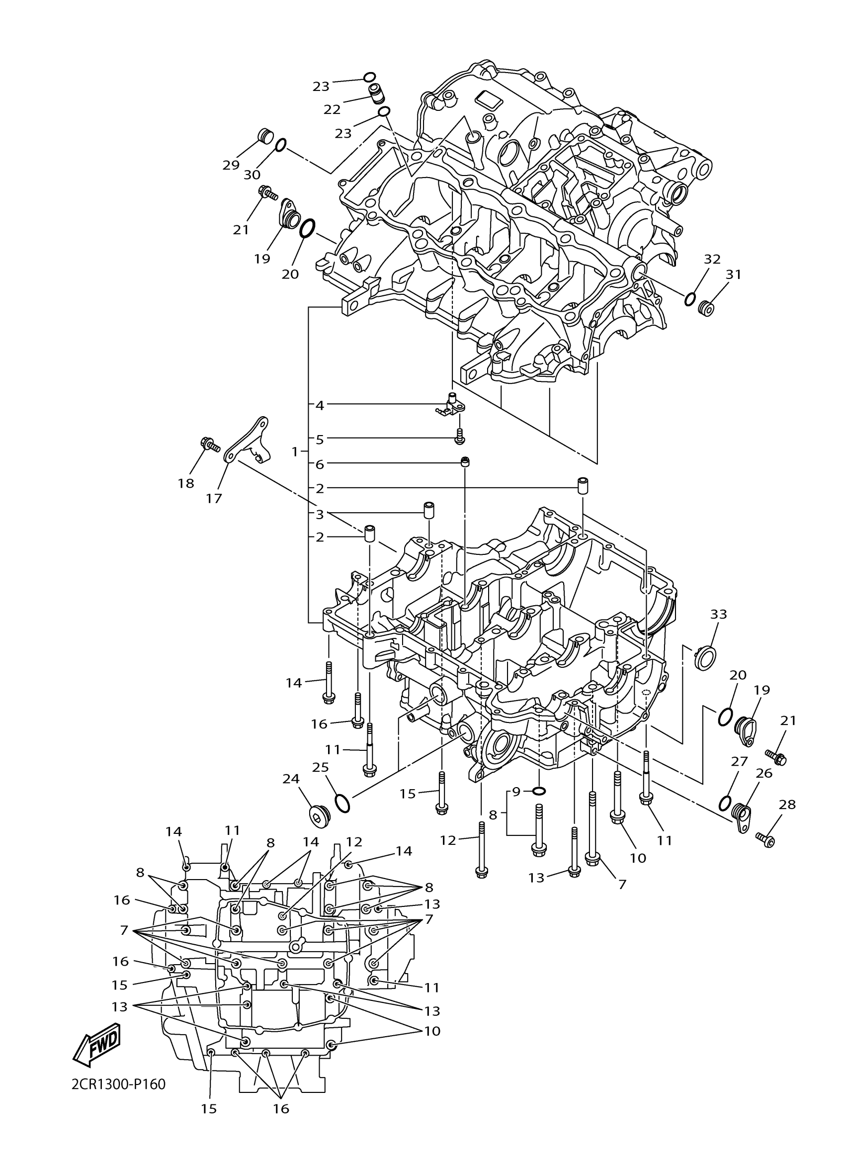
Yamaha MT10KGY (MT10) B67K0 2019 CRANKCASE Diagram
#
Description
Price
1
CRANKCASE ASSY
B67-15100-08-00
Unavailable
16
BOLT, FLANGE
95817-06040-00
Unavailable
17
HOLDER, CLUTCH CAB
2CR-15441-00-00
Unavailable
18
BOLT, HEXAGON SOCKET HEAD
90110-06400-00
Unavailable
19
PLUG
2CR-15189-00-00
Unavailable
20
O-RING (4V2)
93210-23326-00
Unavailable
21
BOLT, HEXAGON SOCKET HEAD
90110-06396-00
Unavailable
22
PIPE, DELIVERY 4
2CR-13191-00-00
Unavailable
23
O-RING (4G0)
93210-11453-00
Unavailable
24
PLUG
4H7-15189-00-00
Unavailable
25
O-RING
93210-20802-00
Unavailable
26
JOINT
2CR-15319-01-00
Unavailable
27
O-RING(36Y)
93210-13657-00
Unavailable
28
SCREW
90149-06068-00
Unavailable
29
PLUG
90338-16262-00
Unavailable
30
O-RING(3LD)
93210-12790-00
Unavailable
31
PLUG
90338-16009-00
Unavailable
32
O-RING(1L9)
93210-16325-00
Unavailable
33
GAUGE, LEVEL
2H7-15361-00-00
Unavailable
