Partiron

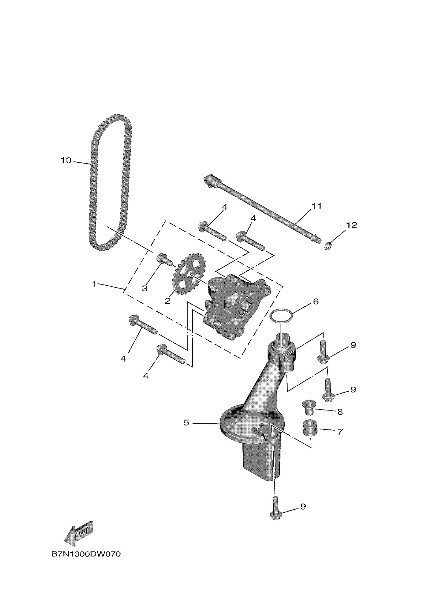
Yamaha MT09SPRS (MT09 SP) BMM4 2024 OIL PUMP Diagram

#

Description
Price

1

OIL PUMP ASSY

B7N-13300-00-00

$194.99

2

SPROCKET, DRIVEN

1RC-13355-00-00

$37.99

3

BOLT, FLANGE

90105-06066-00

$8.49

4

BOLT, HEXAGON SOCKET HEAD

90110-06433-00

$1.06

5

STRAINER HOUSING ASSY

B7N-13410-00-00

$31.99

6

O-RING

93210-22001-00

$7.49

7

GROMMET

90480-13010-00

$7.49

8

COLLAR, DISTANCE

5VY-13117-10-00

$8.99

9

BOLT, HEXAGON SOCKET HEAD

90110-06172-00

$9.49

10

CHAIN

94581-79066-00

$20.99

11

PIPE DELIVERY 5

B7N-1316E-00-00

Unavailable

12

O-RING(26H)

93210-06667-00

$7.49