- Partiron
- OEM Parts
- Yamaha
- motorcycle
- 2024
- MT09SPRS (MT09 SP) BMM4 2024
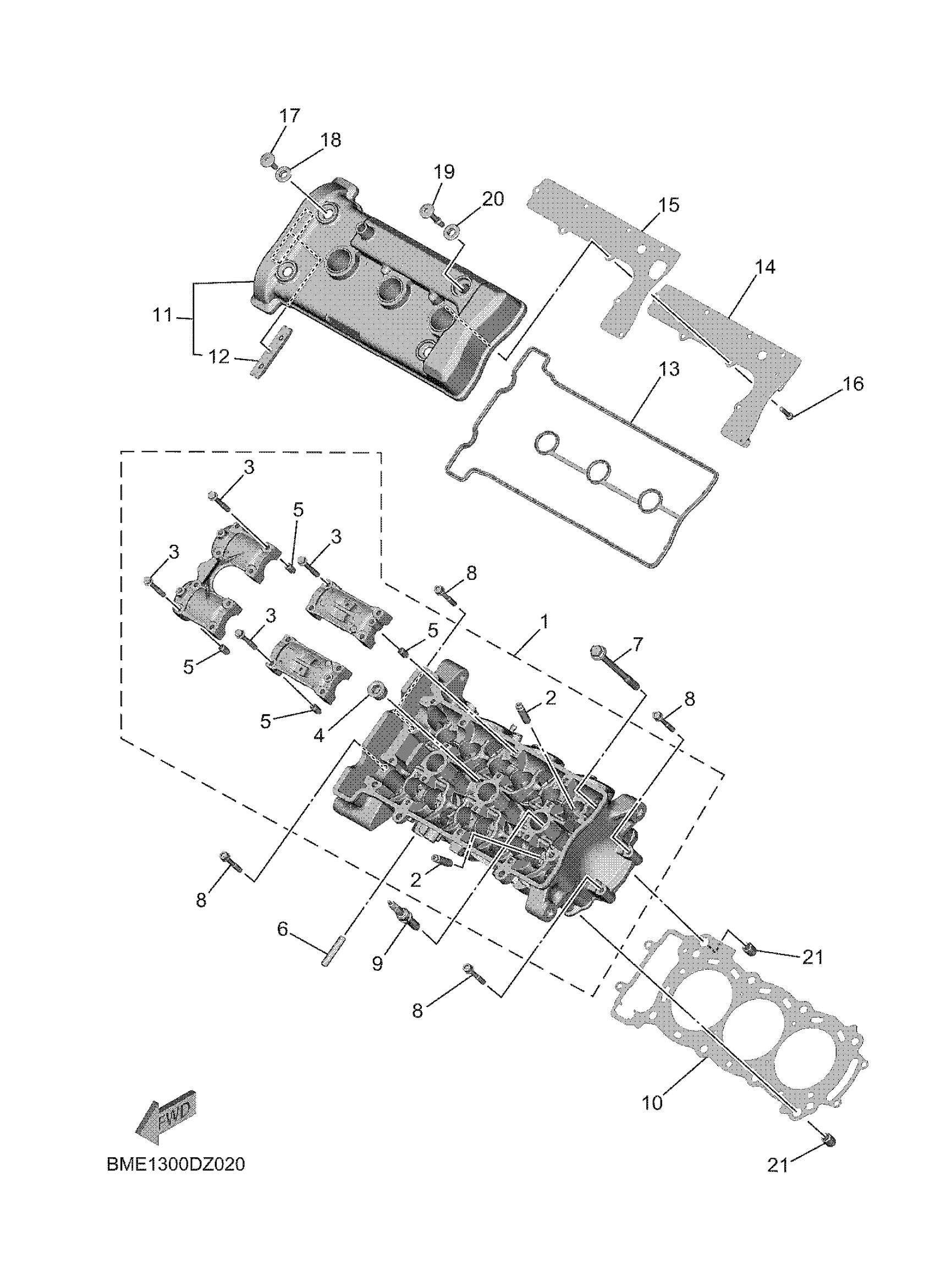
CYLINDER HEAD
Yamaha MT09SPRS (MT09 SP) BMM4 2024 CYLINDER HEAD Diagram
#
Description
Price
1
CYLINDER HEAD ASSY
BME-11101-09-00
Unavailable
9
PLUG, SPARK (NGK LMAR9A-9)
94701-00446-00
Unavailable
14
PLATE, BREATHER
B7N-11165-00-00
Unavailable
15
GASKET, BREATHER C
B7N-11169-00-00
Unavailable
16
SCREW
90149-05038-00
Unavailable
17
BOLT(4BP)
90109-066F0-00
Unavailable
18
RUBBER, MOUNT 1
5VY-1111G-00-00
Unavailable
19
BOLT
90109-06271-00
Unavailable
20
RUBBER, MOUNT 1
5VY-1111G-00-00
Unavailable
21
PIN, DOWEL
99530-12016-00
Unavailable
