- Partiron
- OEM Parts
- Yamaha
- motorcycle
- 2021
- MT09ML (MT09) B7N4 2021
ELECTRICAL 1
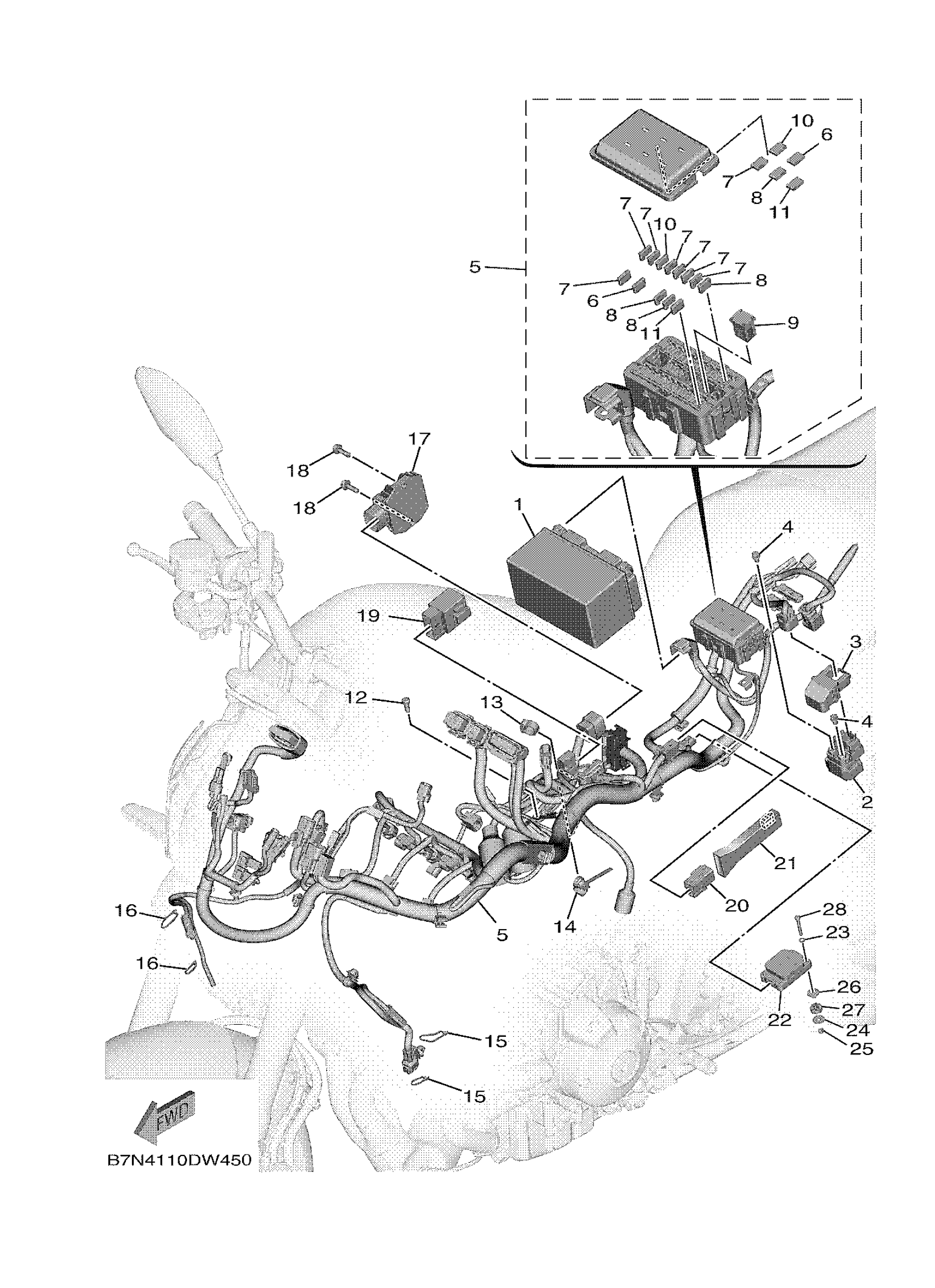
Yamaha MT09ML (MT09) B7N4 2021 ELECTRICAL 1 Diagram
#
Description
Price
1
BATTERY YTZ10S
YTZ-10S00-00-00
Unavailable
2
STARTER RELAY ASSY
B7N-81940-00-00
Unavailable
4
BOLT FLANGE
90105-06230-00
Unavailable
10
FUSE (10A)
B7N-82151-30-00
Unavailable
15
CLAMP
90465-10098-00
Unavailable
16
CLAMP
90465-10098-00
Unavailable
17
RECTIFIER & REGULATOR ASSY
2CR-81960-01-00
Unavailable
18
BOLT, FLANGE DEEP
95D37-06020-00
Unavailable
19
RELAY ASSY
5VK-81950-43-00
Unavailable
20
RELAY ASSY (5UM-E0)
5UM-81950-E0-00
Unavailable
21
COVER, CONNECTOR
B5U-82599-00-00
Unavailable
22
INERTIAL MEASURE,
B7N-8593A-00-00
Unavailable
23
WASHER, PLAIN (646)
92990-04600-00
Unavailable
24
WASHER PLATE
90201-04034-00
Unavailable
25
NUT, U (7LY)
95617-04100-00
Unavailable
26
COLLAR
B7N-83522-00-00
Unavailable
27
GROMMET
B7N-8A8D0-00-00
Unavailable
28
BOLT, HEXAGON SOCKET HEAD
91317-04030-00
Unavailable
