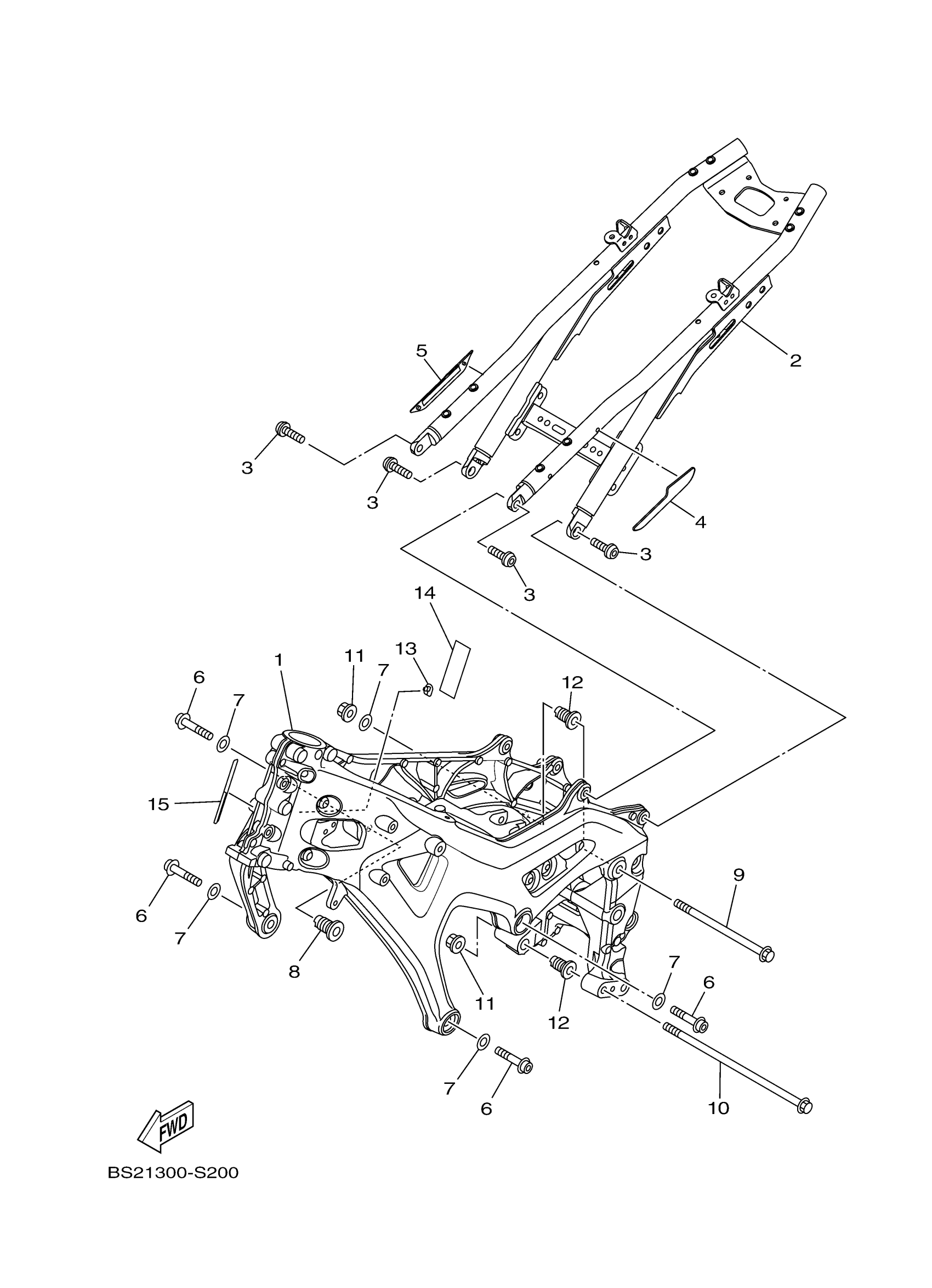
Yamaha MT09LL (MT09) BS2R 2020 FRAME Diagram
#
Description
Price
1
FRAME COMP.
1RC-21110-80-00
Unavailable
2
REAR FRAME COMP.
BS2-21190-00-00
Unavailable
8
BOLT, ENGINE ADJUSTING
1RC-21495-00-00
Unavailable
9
BOLT, FLANGE
90105-10391-00
Unavailable
10
BOLT, FLANGE
90105-10437-00
Unavailable
12
BOLT, ENGINE ADJUSTING
4C8-21495-00-00
Unavailable
