Yamaha MT09JR (MT09) BS2C1 2018 CRANKCASE Diagram
#
Description
Price
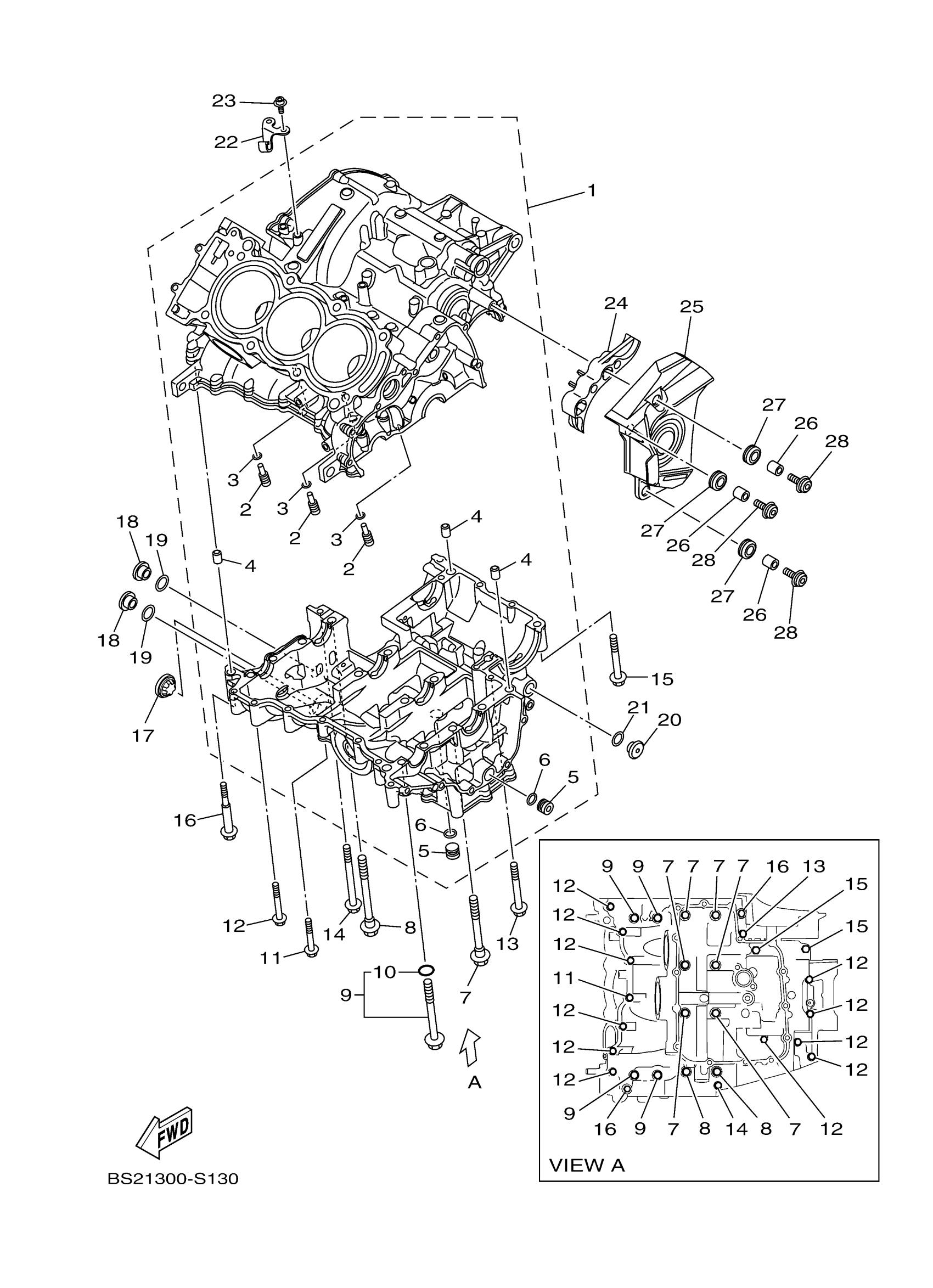
13
BOLT, FLANGE
95812-06065-00
Unavailable
16
BOLT
90109-06100-00
Unavailable
17
GAUGE, LEVEL
2H7-15361-00-00
Unavailable
18
PLUG
36Y-15189-01-00
Unavailable
19
O-RING(1L9)
93210-16325-00
Unavailable
20
PLUG, STRAIGHT SCREW
90340-14011-00
Unavailable
21
O-RING (2H9)
93210-14369-00
Unavailable
22
HOLDER, CLUTCH CABLE
1RC-15441-00-00
Unavailable
23
BOLT, HEXAGON SOCKET HEAD
90110-06107-00
Unavailable
24
GUIDE, INLET
1RC-15377-00-00
Unavailable
25
COVER, CHAIN CASE
BS2-15418-00-00
Unavailable
26
COLLAR
90387-06286-00
Unavailable
27
GROMMET (462)
90480-13018-00
Unavailable
28
BOLT,HEX. SOCKET BUTTON
90111-06130-00
Unavailable
