- Partiron
- OEM Parts
- Yamaha
- motorcycle
- 2023
- MT07PL (MT07) BATT 2023
STAND & FOOTREST 2
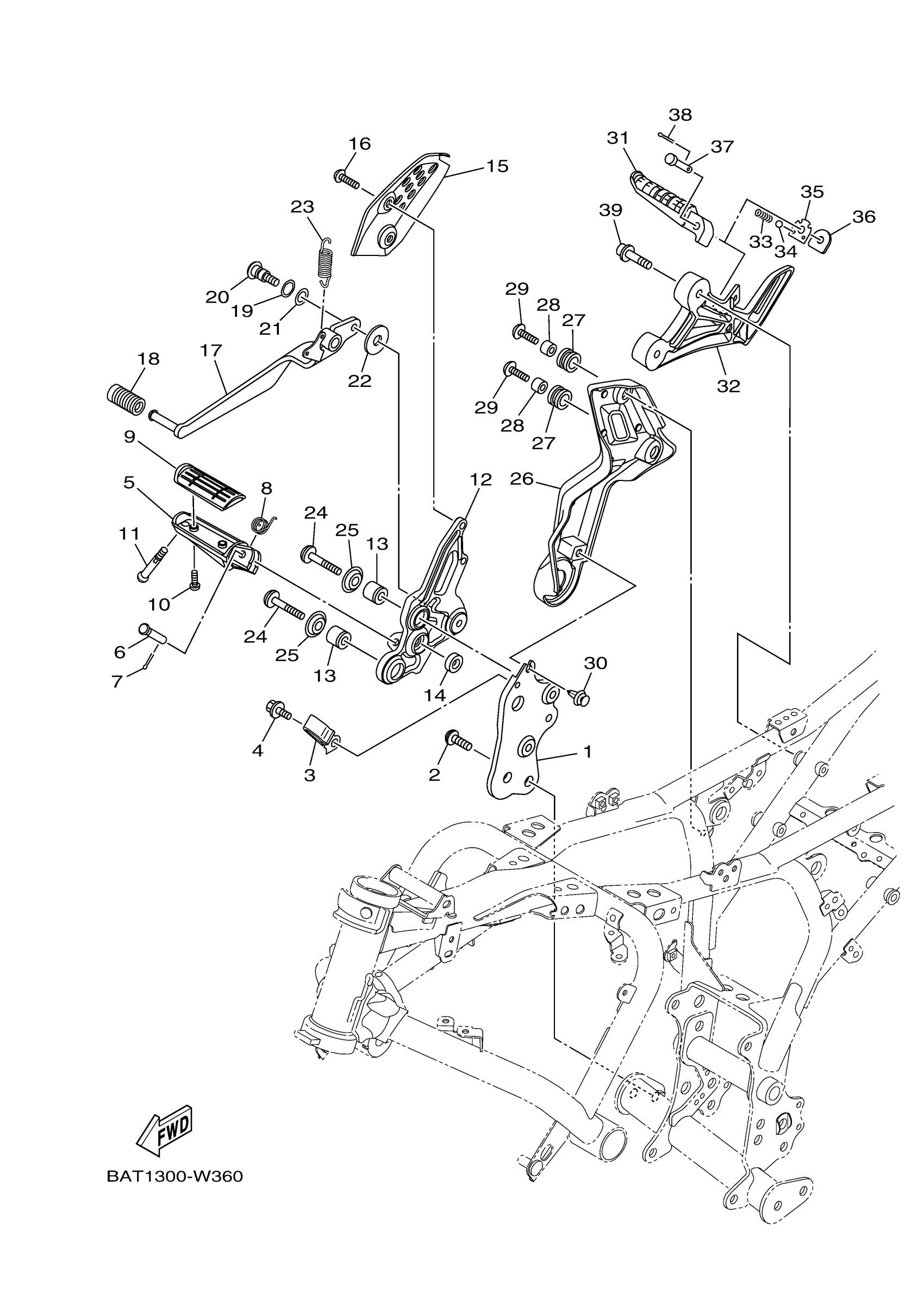
Yamaha MT07PL (MT07) BATT 2023 STAND & FOOTREST 2 Diagram
#
Description
Price
3
CLAMP
90465-08045-00
Unavailable
10
SCREW, PAN HEAD(3YL)
98580-05014-00
Unavailable
15
PLATE 2
1WS-27446-10-00
Unavailable
16
BOLT
90111-08022-00
Unavailable
17
PEDAL, BRAKE
BAT-27211-00-00
Unavailable
18
COVER, SHIFT PEDAL
1WS-18113-00-00
Unavailable
19
WASHER, WAVE (17W)
90206-12074-00
Unavailable
20
BOLT
4BP-27434-11-00
Unavailable
21
WASHER, PLATE
90201-12051-00
Unavailable
22
WASHER, PLATE
90201-08053-00
Unavailable
23
SPRING, TENSION
90506-23008-00
Unavailable
24
BOLT, HEXAGON SOCKET HEAD(38V)
90110-08071-00
Unavailable
25
WASHER(1UF)
90209-08295-00
Unavailable
26
COVER 2
BAT-27463-00-00
Unavailable
27
GROMMET
90480-14003-00
Unavailable
28
COLLAR
90387-06057-00
Unavailable
29
SCREW(4DN)
90149-06302-00
Unavailable
30
RIVET
90269-08008-00
Unavailable
31
FOOTREST, REAR 2
B7N-27441-00-00
Unavailable
32
BRACKET 5
1WS-2742L-02-00
Unavailable
33
SPRING, COMPRESSION (22N)
90501-12743-00
Unavailable
34
BALL
93501-04011-00
Unavailable
35
WASHER, SPECIAL
5VX-27437-00-00
Unavailable
36
WASHER, SPECIAL
BAT-27437-00-00
Unavailable
39
BOLT, HEXAGON SOCKET HEAD(4KG)
90110-08231-00
Unavailable
