- Partiron
- OEM Parts
- Yamaha
- motorcycle
- 2021
- MT07ML (MT07) BAT2 2021
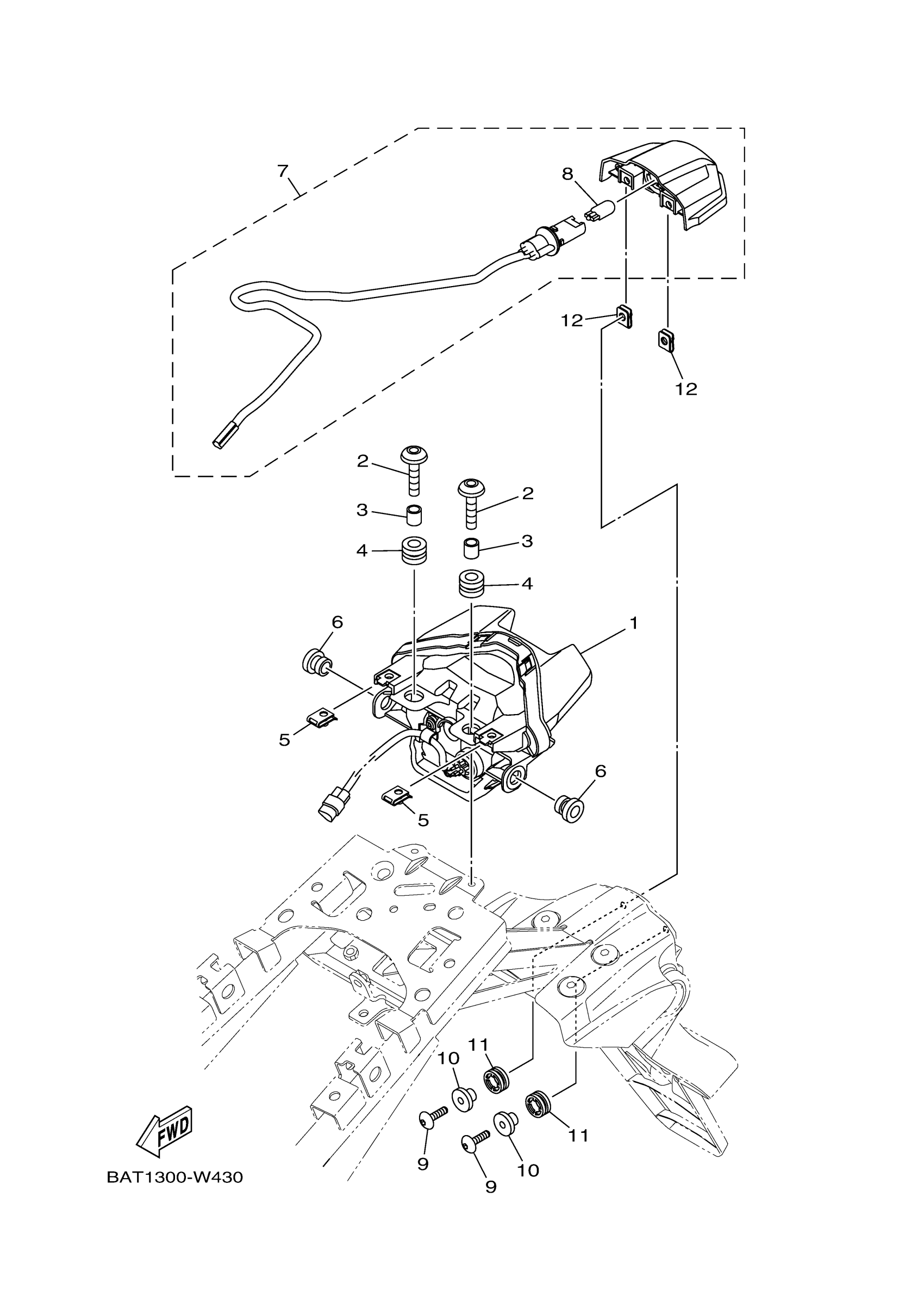
TAILLIGHT
Yamaha MT07ML (MT07) BAT2 2021 TAILLIGHT Diagram
#
Description
Price
3
COLLAR
90387-067V1-00
Unavailable
7
LICENCE LIGHT UNIT ASSY
2PN-84745-02-00
Unavailable
