- Partiron
- OEM Parts
- Polaris
- Watercraft
- PWC
- 2004
- MSX 150 - W045305CA
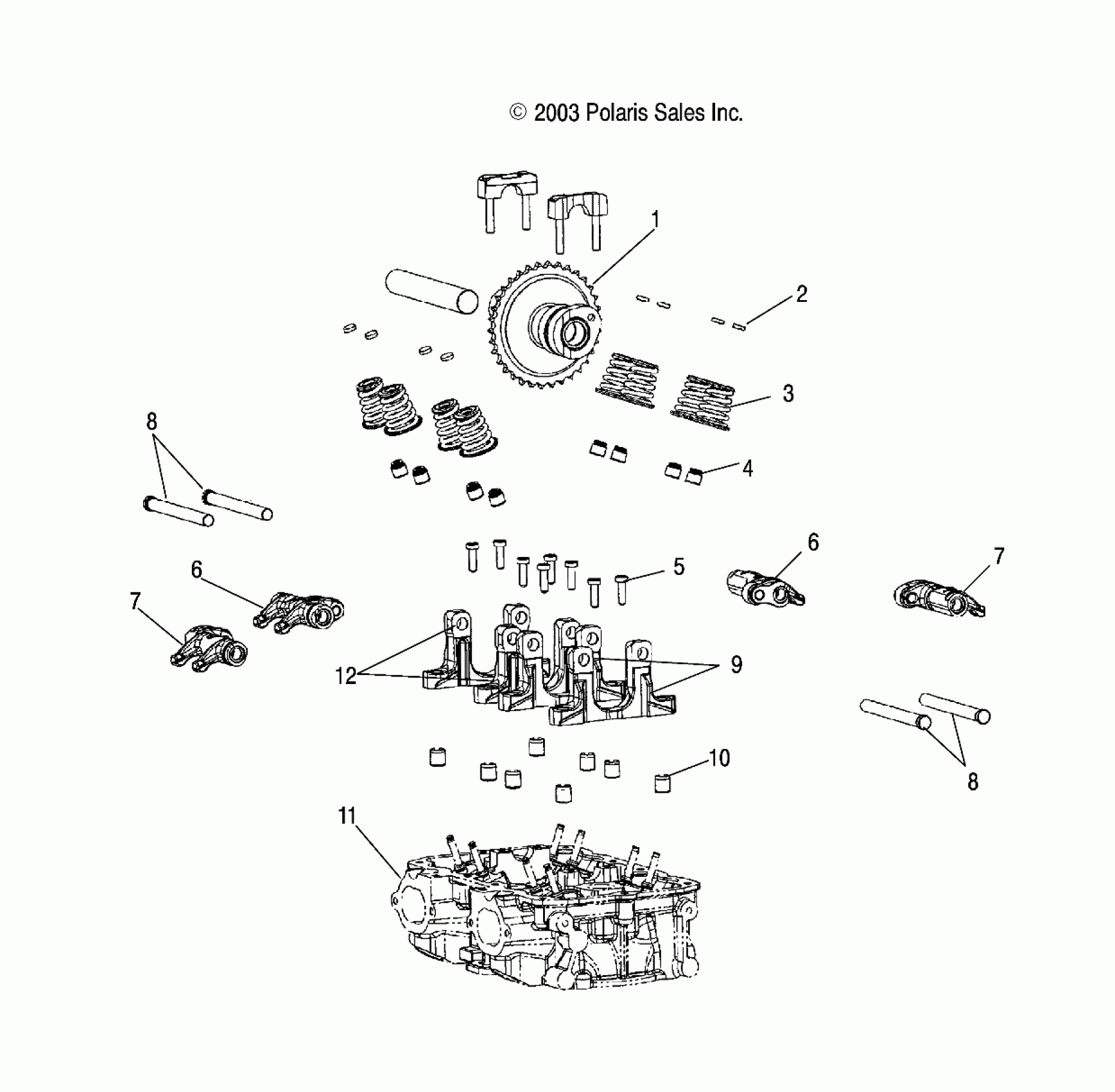
VALVE TRAIN - W045305CA/IA/CB/IB/IE/CC/IC/CD/ID/IF (4990579057C04)
Polaris MSX 150 - W045305CA VALVE TRAIN - W045305CA/IA/CB/IB/IE/CC/IC/CD/ID/IF (4990579057C04) Diagram
#
Description
Price
1
Asm., Cam Shaft
0451576
Unavailable
2
SHIM, VALVE [SEE VALVES PG. C3 FOR DETAILS]
-------
Unavailable
3
SPRING, VALVE [SEE VALVES PG. C3, REF. 4]
-------
Unavailable
5
SCREW
0451594
Unavailable
11
Asm., Head, Cylinder
0451997
Unavailable
