Partiron

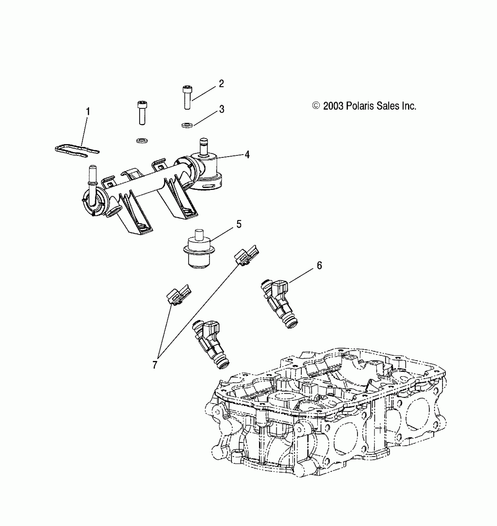
Polaris MSX 150 - W045305CA FUEL RAIL - W045305CA/IA/CB/IB/IE/CC/IC/CD/ID/IF (4990579057C09) Diagram

#

Description
Price

1

CLIP, LOCKING

0451471

$9.59

2

Bolt

0451512

Unavailable

3

Washer

0451513

$3.19

4

Rail, Fuel

0451938

Unavailable

5

VALVE, PRESSURE REGULATOR

0451351

$95.99

6

Injector

0451864

Unavailable

7

CLIP, LOCKING

0451507

$4.79