- Partiron
- OEM Parts
- Polaris
- Watercraft
- PWC
- 2004
- MSX 150 - W045305CA
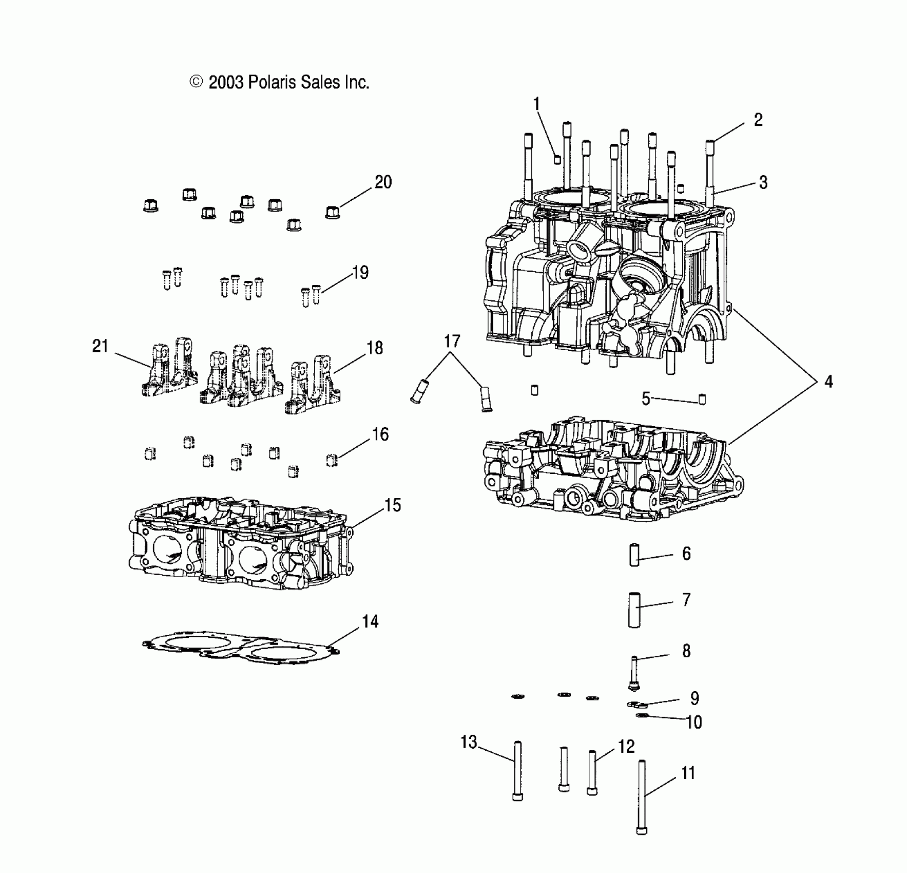
CYLINDER - W045305CA/IA/CB/IB/IE/CC/IC/CD/ID/IF (4990579057C07)
Polaris MSX 150 - W045305CA CYLINDER - W045305CA/IA/CB/IB/IE/CC/IC/CD/ID/IF (4990579057C07) Diagram
#
Description
Price
4
Asm., Engine Block
1202457
Unavailable
6
Piston
0451843
Unavailable
7
Guide, Sleeve
0451859
Unavailable
8
SPRING
0451860
Unavailable
9
Plate, Clamp
0451858
Unavailable
10
WASHER
0451527
Unavailable
11
BOLT
0451526
Unavailable
12
BOLT
0451523
Unavailable
13
BOLT
0451525
Unavailable
15
HEAD, CYLINDER [SEE VALVE TRAIN PG. C4, REF. 11]
-------
Unavailable
16
SLEEVE [SEE VALVE TRAIN PG. C4, REF. 12]
-------
Unavailable
17
Nozzle, Oil, Block
0451450
Unavailable
18
SUPPORT, ROCKER ARM [SEE VALVE TRAIN PG. C4, REF. 9]
-------
Unavailable
19
SCREW
0451594
Unavailable
20
NUT
0451870
Unavailable
21
SUPPORT, ROCKER ARM [SEE VALVE TRAIN PG. C4, REF. 12]
-------
Unavailable
