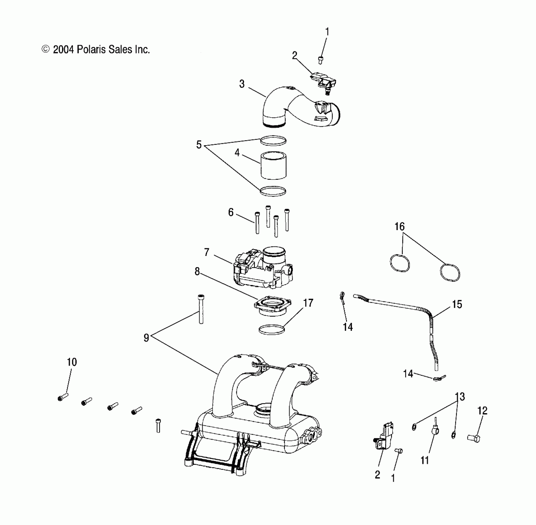
INTAKE and THROTTLE BODY - W045304CA/IA/CB/IB/CC/IC (4990559055D04)
#
1
0451880
Unavailable
1
0451880
Unavailable
2
0451352
Unavailable
2
0451352
Unavailable
3
0451974
Unavailable
4
0451476
Unavailable
5
0451966
Unavailable
6
0451877
Unavailable
7
0451405
Unavailable
8
0451981
Unavailable
9
0451957
Unavailable
10
0451555
Unavailable
11
0451894
Unavailable
14
0451948
Unavailable
14
0451948
Unavailable
15
0451979
Unavailable
16
0451863
Unavailable
17
0451873
Unavailable
Edit ride
