- Partiron
- OEM Parts
- Yamaha
- snowmobile
- 1998
- MM700PB (MOUNTAIN MAX 700) 8CP2 1998
ALTERNATE STARTER MOTOR
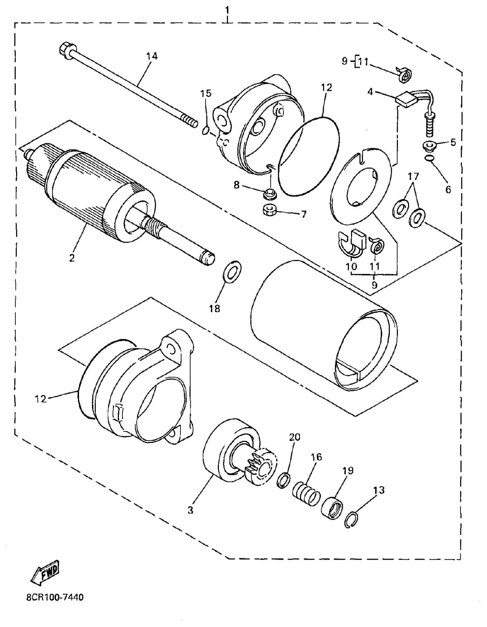
Yamaha MM700PB (MOUNTAIN MAX 700) 8CP2 1998 ALTERNATE STARTER MOTOR Diagram
#
Description
Price
1
STARTING MOTOR ASSY
8CW-81800-01-00
Unavailable
2
. ARMATURE ASSY
8CW-81850-00-00
Unavailable
3
. CLUTCH, OVER RUN
8CW-81832-00-00
Unavailable
4
. BRUSH 1
7GA-81811-50-00
Unavailable
5
. GROMMET
73A-81829-50-00
Unavailable
6
. O-RING
73A-81847-00-00
Unavailable
7
NUT
4H7-81872-00-00
Unavailable
8
. GROMMET
73A-81829-00-00
Unavailable
10
.. BRUSH 2
8CW-81812-00-00
Unavailable
11
SPRING, BRUSH
8L6-81813-50-00
Unavailable
12
O-RING
4H7-81844-00-00
Unavailable
16
. SPRING, LEVER
8CW-81836-00-00
Unavailable
17
WASHER 1
4H7-81843-50-00
Unavailable
18
WASHER
8L6-81835-50-00
Unavailable
19
. RING, STOP
8CW-81833-00-00
Unavailable
20
WASHER, PLATE
8BB-8185A-00-00
Unavailable
