Mini Z, 2005
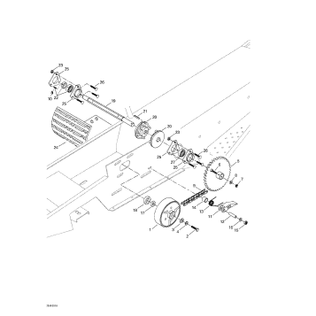
01- Crankcase, Barrel, Crankshaft, Piston
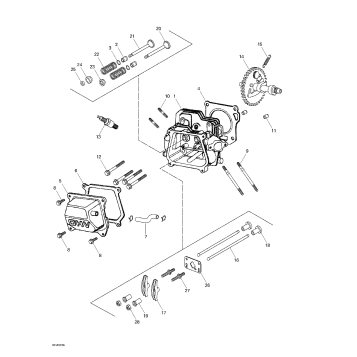
01- Cylinder Head, Camshaft
01- Engine Support And Muffler
01- Ignition Coil, Cooling System
02- Carburetor
02- Fuel System
04- Rewind Starter
05- Drive Axle And Track
06- Brake And Chain Guard
07- Steering System And Ski
08- Rear Suspension
09- Cab
09- Decals
09- Frame And Body
10- Electrical System
Fuel Your Passion
Parts That Keep You Riding
Edit ride