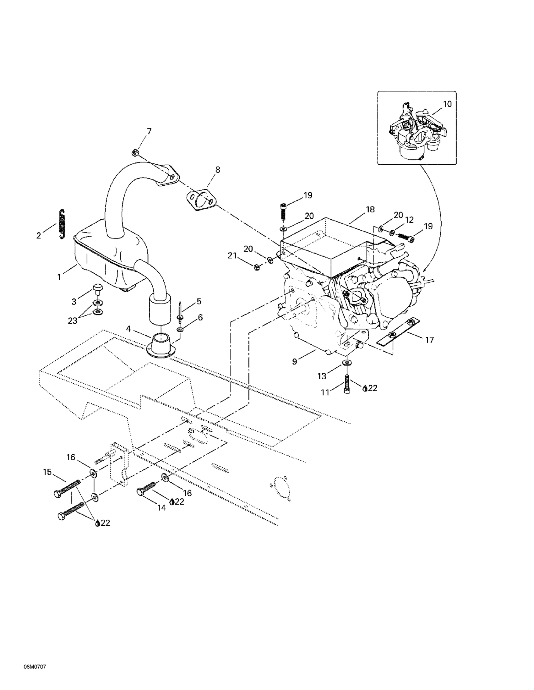
Ski-Doo Mini Z, 2007 Engine Support And Muffler Diagram
#
Description
Price
1
MUFFLER - Call your local BRP dealership
514098700
Unavailable
2
SPRING - Call your local BRP dealership
415104800
Unavailable
4
Exhaust Grommet
570028700
Unavailable
7
Hexagonal Nut M8
H94001080000S
Unavailable
8
Gasket
H18381ZH8800
Unavailable
9
ENGINE ASS'Y (YELLOW) - Call your local BRP dealership
400101103
Unavailable
10
Carburetor Ass'y
H16100ZK7U51
Unavailable
13
FLAT WASHER - Call your local BRP dealership
224081201
Unavailable
14
Not Available As Spare Part - Friction Washer
Unavailable
15
Not Available As Spare Part - Friction Washer
Unavailable
16
FLAT WASHER - Call your local BRP dealership
224081201
Unavailable
17
STOPPER PLATE - Call your local BRP dealership
512057400
Unavailable
18
ENGINE PROTECTOR - Call your local BRP dealership
512059187
Unavailable
23
Washer
583183400
Unavailable
