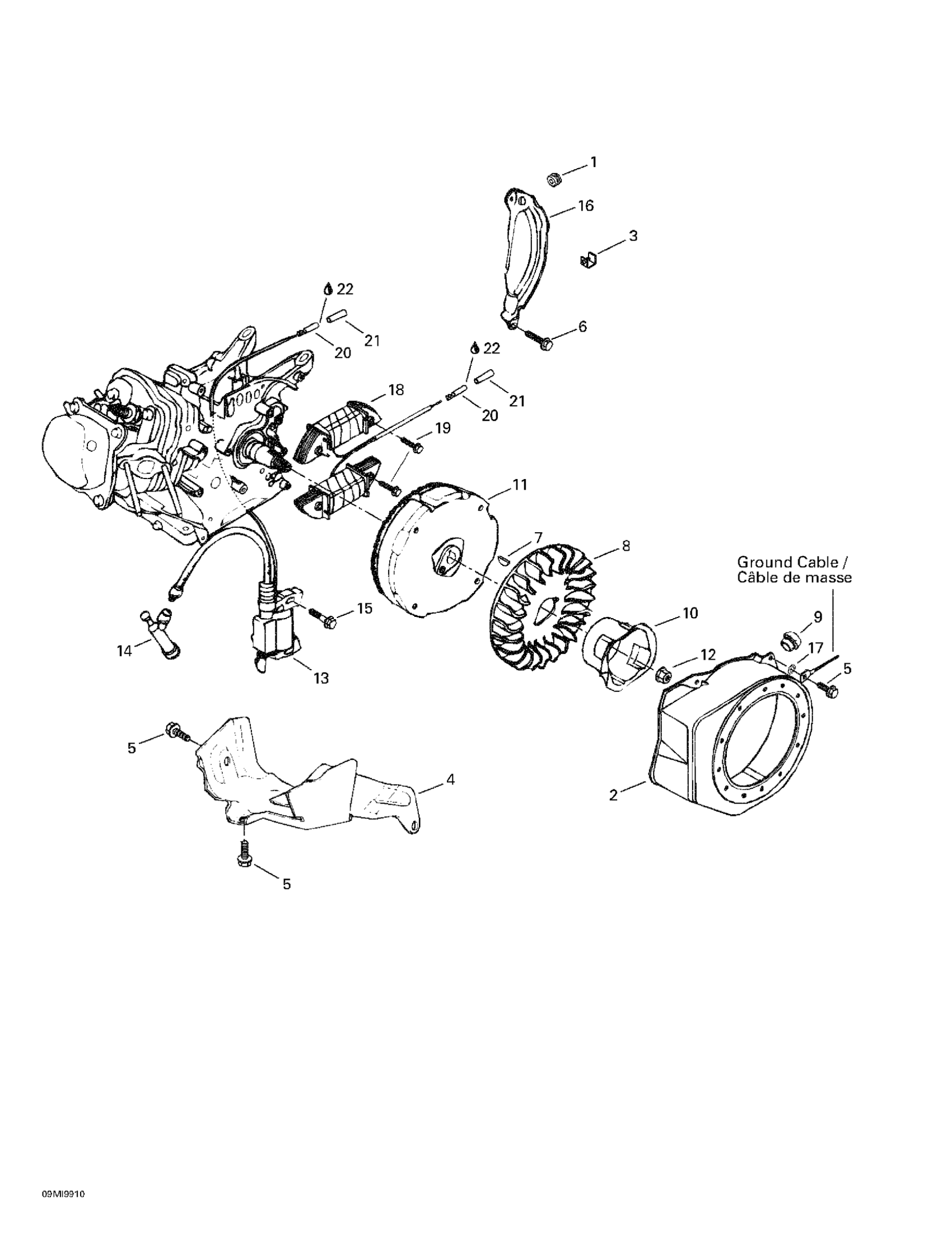
Ski-Doo Mini Z, 1999 Ignition Coil, Cooling System Diagram
#
Description
Price
1
Grommet
H11347371300
Unavailable
2
Cover
H19610ZE0000ZQ
Unavailable
3
Clip
H90601ZH7013
Unavailable
4
Shroud
H19630ZH7000
Unavailable
5
Screw
H90013883000
Unavailable
6
Screw
H90022888010
Unavailable
7
Key
H13331357000
Unavailable
8
Fan
H19511ZE0000
Unavailable
9
Plug
H81329567020
Unavailable
10
Starter Pulley
H28451ZH8003
Unavailable
11
Flywheel
H31100ZE0811
Unavailable
12
Nut 14 mm
H90201878003
Unavailable
13
Ignition Coil
H30500ZE1033
Unavailable
14
Cap
H30700ZE1013
Unavailable
15
Flanged Bolt 6 x 25
H90121952000
Unavailable
16
Side Plate
H19612ZH7820
Unavailable
18
Lamp Coil Ass'y
H31510ZK7U50
Unavailable
19
Screw 6 x 28
H90015883000
Unavailable
22
Dielectric Grease, 150 g This part replaces 413701700.
293550004
Unavailable
