- Partiron
- OEM Parts
- Polaris
- ATV
- 1996
- MAGNUM 6X6 - W968744
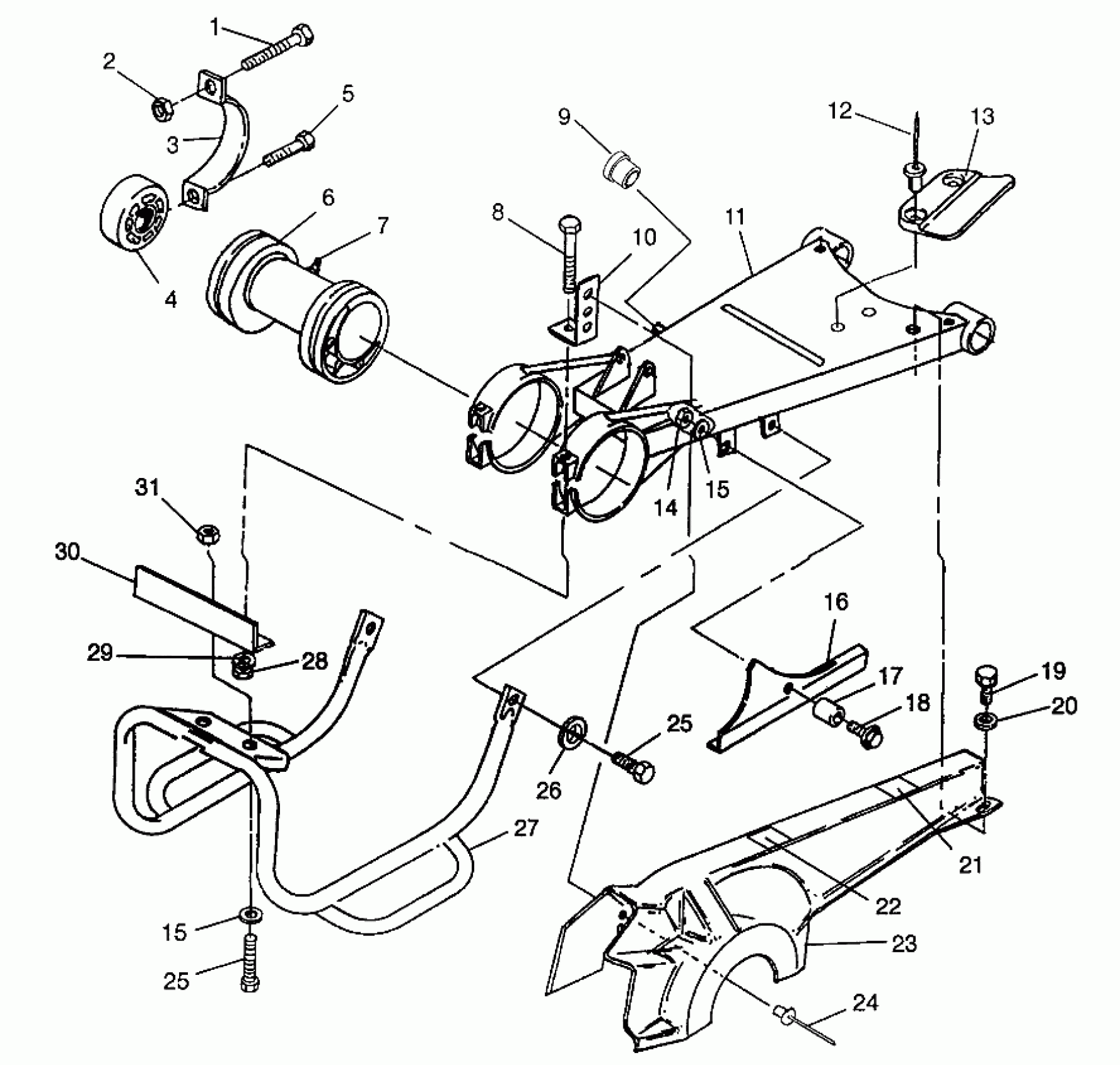
SWING ARM/GUARD MOUNTING Magnum 6X6 - W968744 and Magnum 6X6 Swedish - S968 (4936073607C008)
Polaris MAGNUM 6X6 - W968744 SWING ARM/GUARD MOUNTING Magnum 6X6 - W968744 and Magnum 6X6 Swedish - S968 (4936073607C008) Diagram
#
Description
Price
1
BOLT(10)
7512569
Unavailable
3
BRKT,SWING ARM EXT.
1580067-067
Unavailable
6
HOUSING, AXLE
5130663
Unavailable
9
HOLDER,BRAKE,SINGLE CAL
5131313
Unavailable
10
BRKT,CHAIN GUARD,BLK.
5222220-067
Unavailable
11
Asm., Swing Arm (See Pg. C7, Ref. 17)
-------
Unavailable
19
SCREW(10)
7512252
Unavailable
20
WASHER(10) Substituted by 7558301
7555776
Unavailable
21
DECAL,LUBRICATION
7074214
Unavailable
22
DECAL,CHAIN TENSION Substituted by 7074752
7074177
Unavailable
23
GUARD, CHAIN Substituted by 5431102
2640009
Unavailable
27
GUARD,SWINGARM,BLK
1040522-067
Unavailable
