- Partiron
- OEM Parts
- Polaris
- ATV
- 1996
- MAGNUM 6X6 - W968744
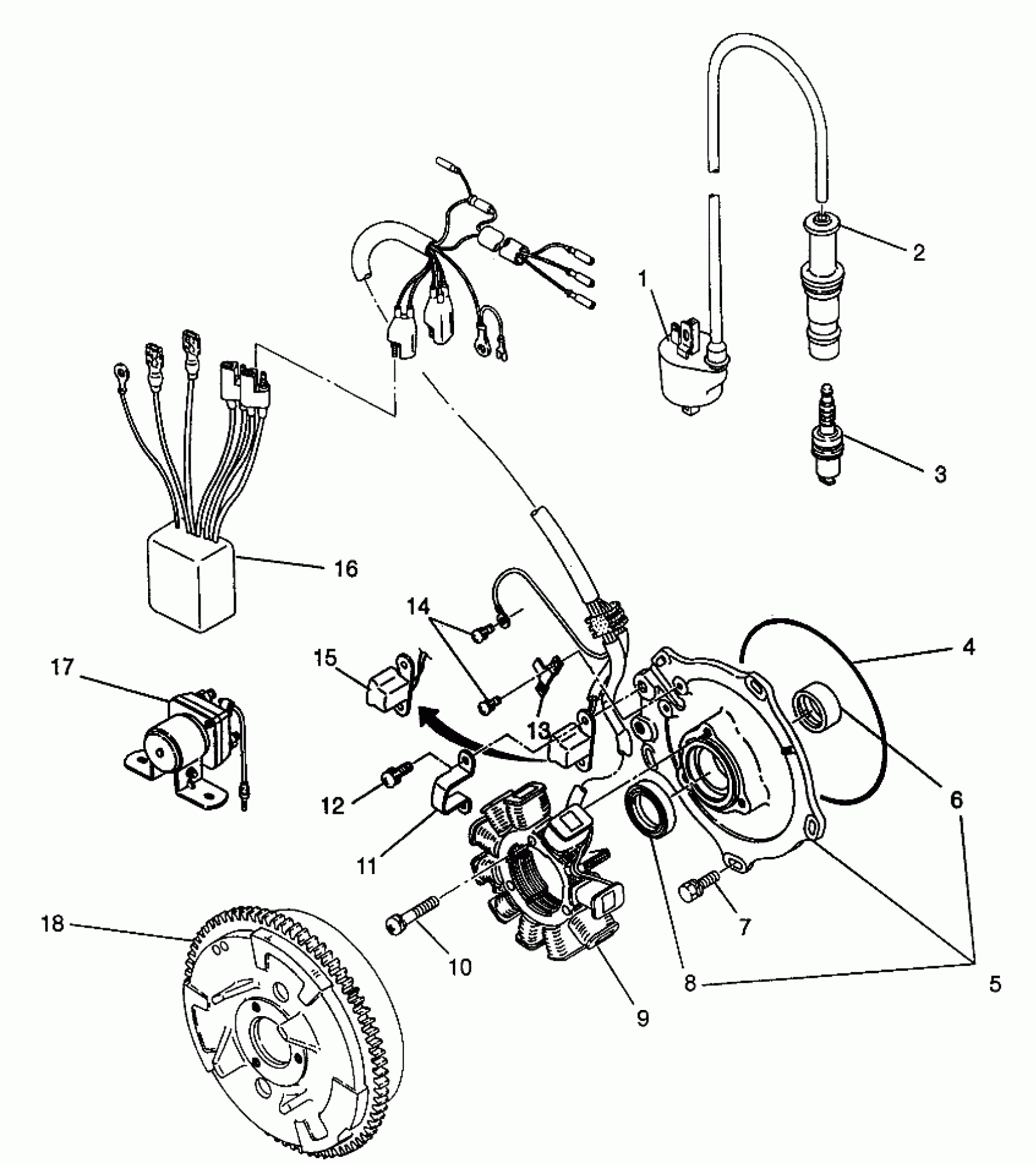
MAGNETO Magnum 6X6 W968744 and Magnum 6X6 Swedish S968744 (4936073607E003)
Polaris MAGNUM 6X6 - W968744 MAGNETO Magnum 6X6 W968744 and Magnum 6X6 Swedish S968744 (4936073607E003) Diagram
#
Description
Price
1
COIL ASM,IGNITION (Incl. 1, 2)
3084690
Unavailable
1
COIL,IGNITION
3084979
Unavailable
5
Plate
3084971
Unavailable
5
PLATE ASM. Substituted by 3086859 (Incl. 5, 6, 8-14)
3084970
Unavailable
6
BEARING, METAL
3084972
Unavailable
9
STATOR Substituted by 3086860 (Incl. 15)
3084974
Unavailable
11
COVER, PULSE Substituted by 3085554
3084975
Unavailable
12
SCREW&WASHER ASM.
3084976
Unavailable
13
Clamp
3084977
Unavailable
15
COIL,PULSER
3085360
Unavailable
17
SWITCH-MAGNETIC Substituted by 3085521
3083211
Unavailable
18
FLYWHEEL,W/RING GEAR Substituted by 3086857
3084969
Unavailable
