- Partiron
- OEM Parts
- Polaris
- ATV
- 1996
- MAGNUM 6X6 - W968744
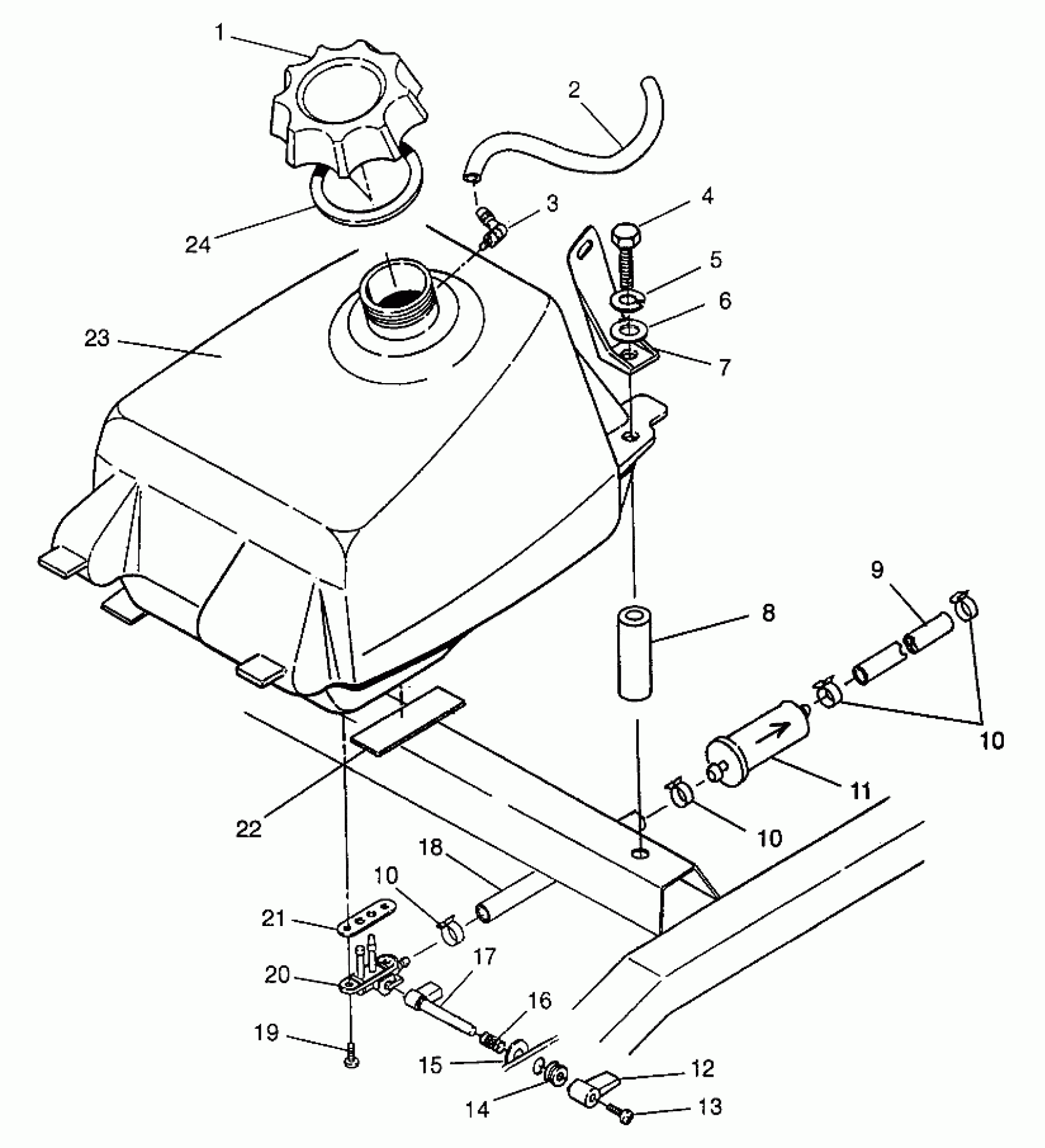
FUEL TANK Magnum 6X6 - W968744 and Magnum 6X6 Swedish - S968744 (4936073607A013)
Polaris MAGNUM 6X6 - W968744 FUEL TANK Magnum 6X6 - W968744 and Magnum 6X6 Swedish - S968744 (4936073607A013) Diagram
#
Description
Price
2
FUEL LINE,1/8 ID,600 CM.
8360009-600
Unavailable
4
SCREW(10)
7515349
Unavailable
7
BRKT,LH.R.FUELCOVER,BLK.
5222154-067
Unavailable
7
BRKT,RH.R.FUELCOVER,BLK.
5222155-067
Unavailable
8
SPACER,FUELTANK Substituted by 5332457
5333206
Unavailable
13
SCREW(10)
7511840
Unavailable
22
PAD,BULK FUEL
8360026
Unavailable
23
TANK, FUEL Substituted by 5432879
5431674
Unavailable
