- Partiron
- OEM Parts
- Polaris
- ATV
- 1996
- MAGNUM 6X6 - W968744
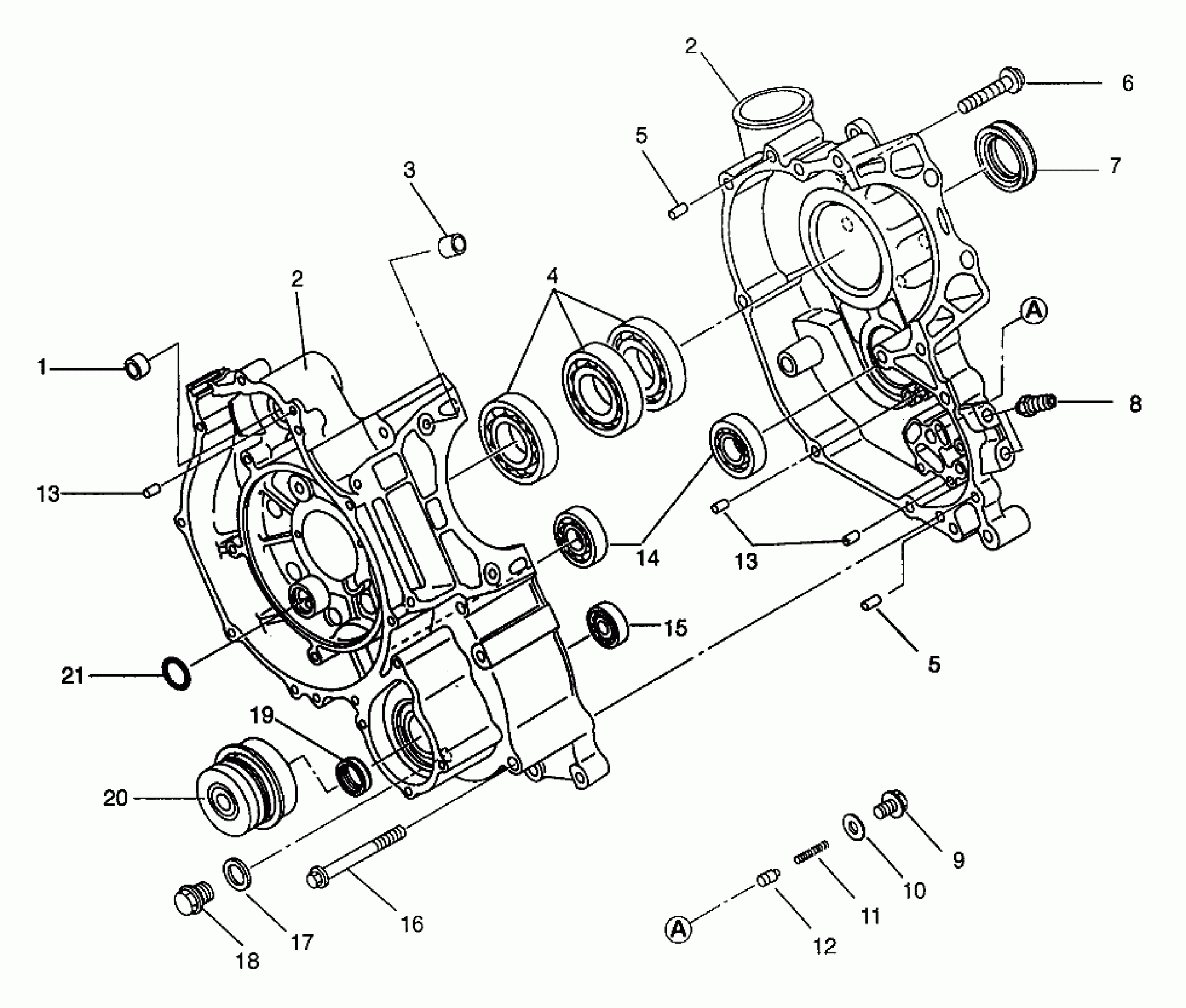
CRANKCASE Magnum 6X6 W968744 and Magnum 6X6 Swedish S968744 (4936073607D007)
Polaris MAGNUM 6X6 - W968744 CRANKCASE Magnum 6X6 W968744 and Magnum 6X6 Swedish S968744 (4936073607D007) Diagram
#
Description
Price
1
BUSHING, STARTER (Starter)
3083669
Unavailable
2
CRANKCASE ASM. Substituted by 3084833 (Incl. 1, 4, 5, 7, 8, 13-16, 19, 20)
3085411
Unavailable
2
CRANKCASE ASM. Substituted by 3084833 (Incl. 1, 4, 5, 7, 8, 13-16, 19, 20)
3085411
Unavailable
3
PIN,STRAIGHT
3084838
Unavailable
5
Pin, Dowel
3084840
Unavailable
5
Pin, Dowel
3084840
Unavailable
8
Union
3084842
Unavailable
9
PLUG
3084845
Unavailable
12
VALVE Substituted by 3086810
3084843
Unavailable
15
BEARING,BALL
3084835
Unavailable
16
BOLT,FLANGE
3084841
Unavailable
18
PLUG Substituted by 3086749
3083453
Unavailable
19
SEAL, OIL
3084836
Unavailable
