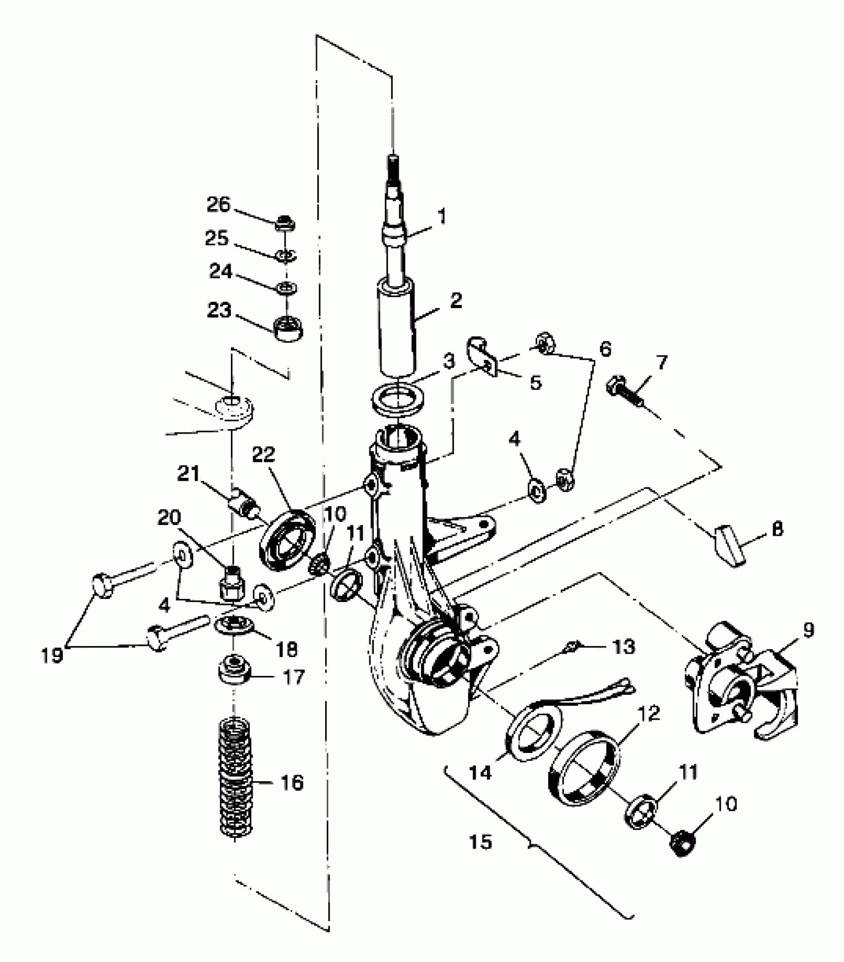
Polaris MAGNUM 500 - A99CD50AA FRONT STRUT - A99CD50AA (4949254925B005) Diagram
#
Description
Price
1
BUMPER-MCU,17.80MM ID (For Strut 7041761)
5411608
Unavailable
1
BUMPER,STRUT (For Strut 7041755)
5411468
Unavailable
7
SCREW
7517445
Unavailable
8
RETAINER,WIRE,STRUT CAST
5810439
Unavailable
9
Asm., Front Brake Caliper, RH (See Footnote) (See Front Brake Pg. B7 for Details)
-------
Unavailable
15
HUBSTRUT,SVC,BRN/WHT,42,RH (32mm)(Incl. 8,11-14,22)
2201312
Unavailable
15
HUBSTRUT,SVC,BRN/WHT,42,LH (32mm)(Incl. 8,11-14,22)
2201311
Unavailable
17
RETAINER,SPRING,TOP (For Strut 7041755)
5220602
Unavailable
18
PIVOT BALL,BOTTOM Substituted by 5432871
5430807
Unavailable
21
Kit - Drive Shaft w/Sleeve (See Footnote) (See CV Joint - BTB Pg. B3, Ref. 13)
-------
Unavailable
23
PIVOT BALL, TOP Substituted by 5432872
5430806
Unavailable
