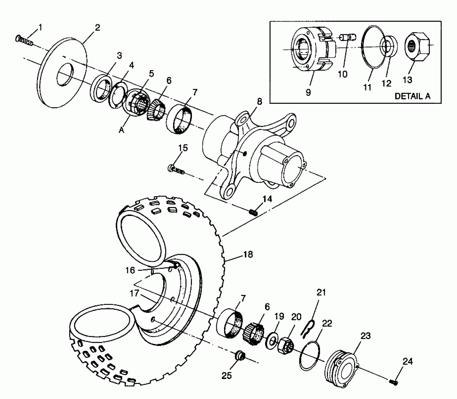
Polaris MAGNUM 4X4 - W98AC42A FRONT WHEEL - S98AC42E (4945214521B003) Diagram
#
Description
Price
8
HUB ASM,SHRT(3-LOBE)W/BRG RACE (Incl. 3, 7,15)
1520243
Unavailable
18
TIRE,FR(25X8-12) (25x8x12)
5410568
Unavailable
