- Partiron
- OEM Parts
- Polaris
- ATV
- 1997
- MAGNUM 4X4 - W97AC42A
REAR CAB Magnum 4X4 W97AC42A, Swedish Magnum 4X4 S97AC42E and Norwegian Mag (4940834083A006)
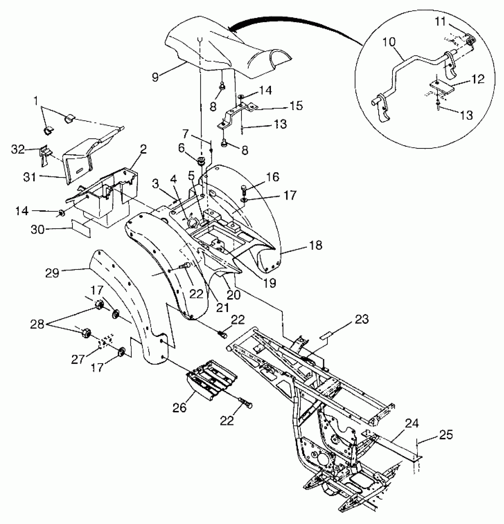
Polaris MAGNUM 4X4 - W97AC42A REAR CAB Magnum 4X4 W97AC42A, Swedish Magnum 4X4 S97AC42E and Norwegian Mag (4940834083A006) Diagram
#
Description
Price
1
CLIP, LID HINGE(10)
7670050
Unavailable
2
BOX,TOOL COMP.
5430882
Unavailable
4
RETAINER,TOOL POUCH
7080385
Unavailable
5
DECAL,CARB.INFO.
7073761
Unavailable
6
Grommet
5411042
Unavailable
9
COVER,SEAT,STL.GRY. Substituted by 2681730-132
2681723-132
Unavailable
9
SEAT ASM,STL.GRAY Substituted by 2682357-132
2682203-132
Unavailable
10
LATCH,SEAT
1011558
Unavailable
11
SPRING, LATCH
7041158
Unavailable
15
BRKT,SUPPORT SEAT BASE
5222837-067
Unavailable
18
CAB,REAR,MOD,EB.GRN,GENII
5432531-195
Unavailable
19
BRKT,R.HOLDDOWN
5220880
Unavailable
20
Foil, Rear Cab
5810957
Unavailable
21
Foil, Rear Cab, Small
5810991
Unavailable
23
DECAL,FILTER,4-STRK
7077184
Unavailable
26
Pad, Foot (See Pg., Ref.)
-------
Unavailable
27
BRKT, LH MUD FLAP
5211131-067
Unavailable
29
MUDFLAP, LH, FULL
5850107
Unavailable
30
TAPE, FOIL
5810310
Unavailable
31
LID,TOOLBOX,SIL/GRN.
5430769-1042
Unavailable
32
STRAP,TOOL COMPARTMENT
5410425
Unavailable
