- Partiron
- OEM Parts
- Polaris
- ATV
- 1997
- MAGNUM 4X4 - W97AC42A
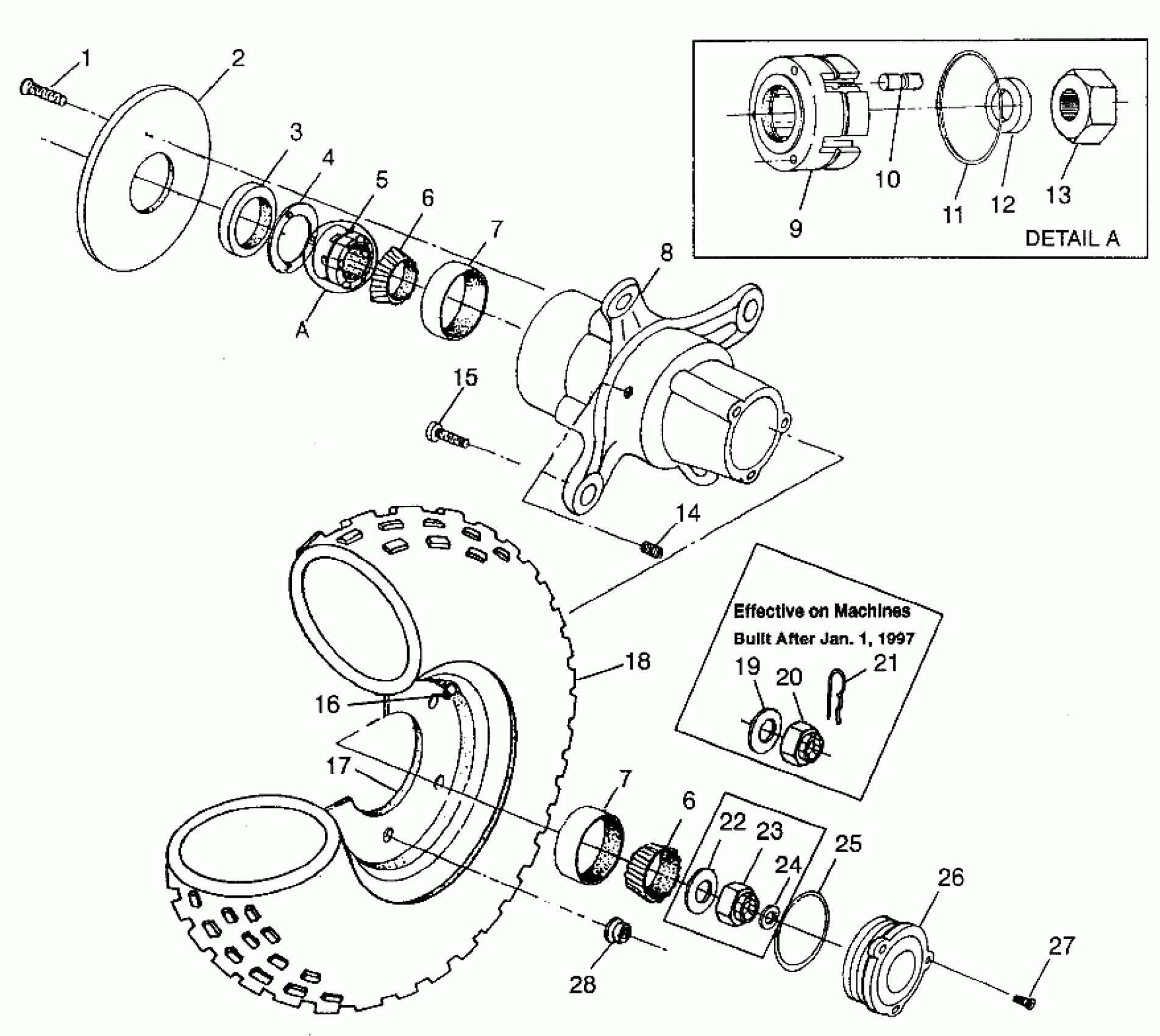
FRONT WHEEL Magnum 4X4 W97AC42A, Swedish Magnum 4X4 S97AC42E and Norwegian (4940834083B003)
Polaris MAGNUM 4X4 - W97AC42A FRONT WHEEL Magnum 4X4 W97AC42A, Swedish Magnum 4X4 S97AC42E and Norwegian (4940834083B003) Diagram
#
Description
Price
8
HUB ASM,SHRT(3-LOBE)W/BRG RACE (Incl. 3, 7, 15)
1520243
Unavailable
18
TIRE,FR(25X8-12) (25x8x12)
5410568
Unavailable
22
WASHER(10)
7555903
Unavailable
23
NUT,LH THREAD
7543204
Unavailable
23
NUT,RH THREAD
7543201
Unavailable
