- Partiron
- OEM Parts
- Polaris
- ATV
- 1997
- MAGNUM 4X4 - W97AC42A
ELECTRICAL/TAILLIGHT Magnum 4X4 W97AC42A, Swedish Magnum 4X4 S97AC42E and (4940834083C008)
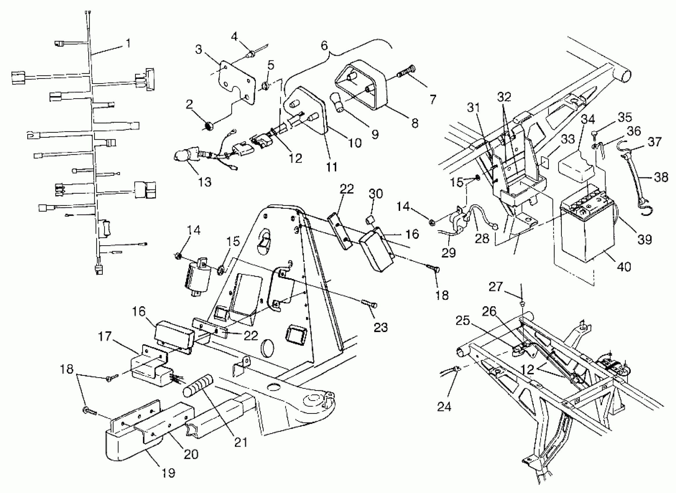
Polaris MAGNUM 4X4 - W97AC42A ELECTRICAL/TAILLIGHT Magnum 4X4 W97AC42A, Swedish Magnum 4X4 S97AC42E and (4940834083C008) Diagram
#
Description
Price
1
HARNESS,MAINWIRE,(MAG4X4)
2460608
Unavailable
16
LIMITER,RPM,350HZ,LR44-2 Substituted by 4060204
4060159
Unavailable
16
LIMITER,RPM,350HZ,LR44-2 Substituted by 4060204
4060159
Unavailable
17
BRKT,CDI(ATV 400)
5240428
Unavailable
19
RECTIFIER,LR-37
4060133
Unavailable
20
HEATSINK RECT.
5131036
Unavailable
21
TUBING,CONVOLUTED,3/4"
8360011-15
Unavailable
23
HEAT SINK
5210650
Unavailable
24
DESC NOT_AVAILABLE
8360012-13
Unavailable
25
LIMITER,SPEED,650HZ,(NOR.) Substituted by 4010248 (Nor)
4060184
Unavailable
26
SCREW(10)
7512011
Unavailable
28
DECAL, BATTERY [No Longer Available]
7072606
Unavailable
31
CABLE,BATT/ENG.,BLK.
4010095
Unavailable
33
STRAP,BATTERY HOLDDOWN
5410424
Unavailable
36
CABLE,BATT/SOLENOID,RED
4010094
Unavailable
39
CLAMP,BLK,5/16 PLASTIC(10)
7080524
Unavailable
40
POWER ASM,12V
2410022
Unavailable
