- Partiron
- OEM Parts
- Polaris
- ATV
- 1997
- MAGNUM 4X4 - W97AC42A
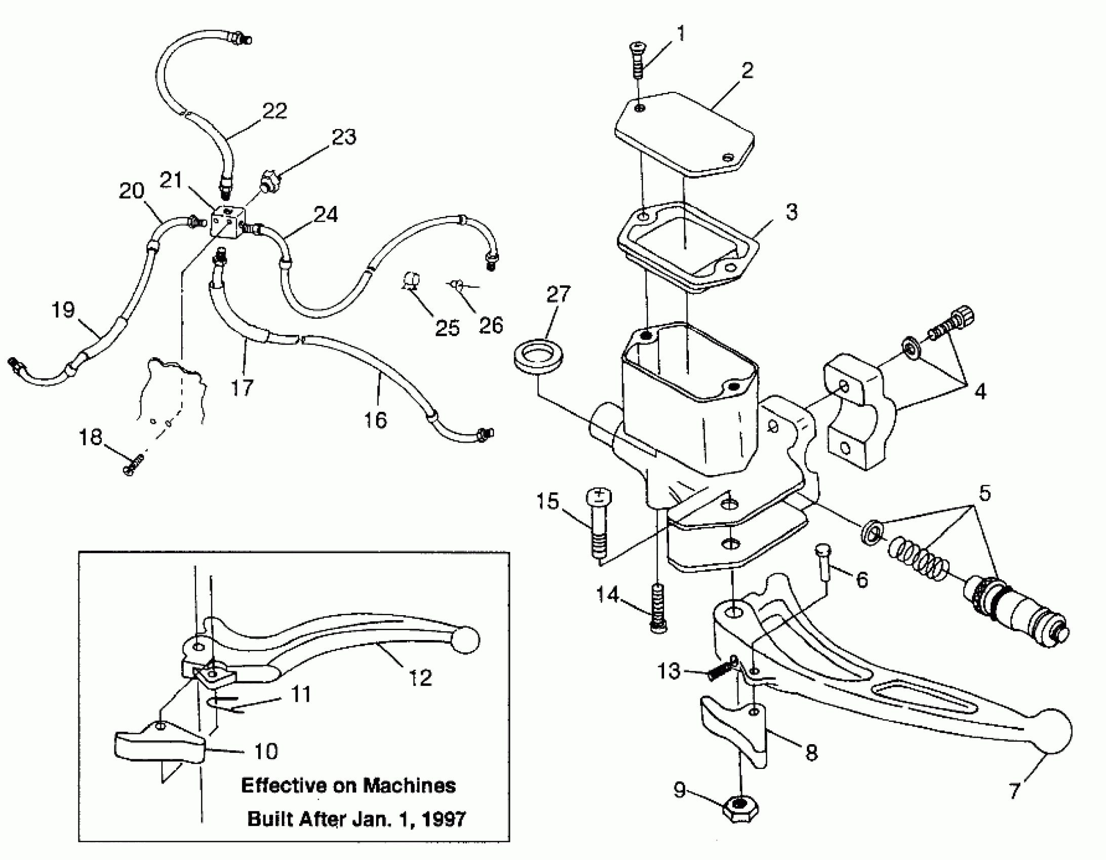
CONTROLS - MASTER CYLINDER/BRAKE LINE Magnum 4X4 W97AC42A, Swedish Magnum 4 (4940834083B010)
Polaris MAGNUM 4X4 - W97AC42A CONTROLS - MASTER CYLINDER/BRAKE LINE Magnum 4X4 W97AC42A, Swedish Magnum 4 (4940834083B010) Diagram
#
Description
Price
-
MASTER CYLINDER (Incl. 1-15)
2050073
Unavailable
2
CAP,M.CYL.RES.
1930796
Unavailable
4
KIT,M.CYL.CLAMP
2200808
Unavailable
6
Rivet
1930804
Unavailable
9
NUT,M.CYL.HANDLE PIVOT
1930806
Unavailable
11
SPRING, FLAT
-------
Unavailable
15
BOLT,M.CYL.HANDLE PIVOT
1930805
Unavailable
17
CONDUIT, 30 CM. Substituted by 8360011-34
8360031-30
Unavailable
21
FITTING,CROSS INVERT.FLARE
7052103
Unavailable
23
SWITCH,STOPLIGHT
4110164
Unavailable
24
LINE,BRAKE,REAR
1930751
Unavailable
27
Reservoir
-------
Unavailable
