- Partiron
- OEM Parts
- Polaris
- ATV
- 1996
- MAGNUM 4X4 - W968144
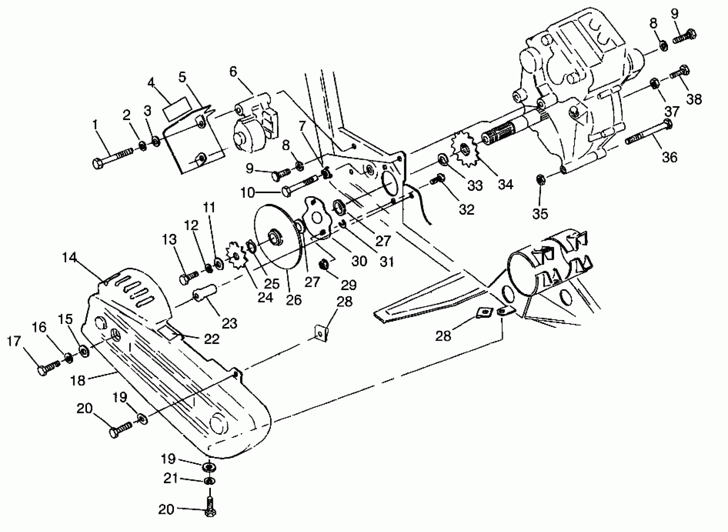
GEARCASE/BRAKE and CHAIN COVER MOUNTING Magnum 4X4 W968144 and Swedish Magn (4936053605C005)
Polaris MAGNUM 4X4 - W968144 GEARCASE/BRAKE and CHAIN COVER MOUNTING Magnum 4X4 W968144 and Swedish Magn (4936053605C005) Diagram
#
Description
Price
4
DECAL,BRAKE SHIELD
7075339
Unavailable
5
SHIELD,R.CALIPER,BLK.
5241018-067
Unavailable
6
CALIPER ASM,R.(SCAND) (SWED)
1910130
Unavailable
6
CALIPER ASM,R.BRAKE Substituted by 1910224 (US)
1910180
Unavailable
7
Plate, Bolt Lock (See Pg., Ref.)
-------
Unavailable
10
Bolt, Shoulder (See Pg., Ref.)
-------
Unavailable
14
GUARD,CHAIN,CTR.
5431717
Unavailable
15
WASHER(10) Substituted by 7558402
7555770
Unavailable
17
BOLT(10)
7515384
Unavailable
18
DECAL"DEMAND-4-DRIVE"
7074892
Unavailable
20
BOLT(10)
7512269
Unavailable
20
BOLT(10)
7512269
Unavailable
22
DECAL,LUBRICATION
7074214
Unavailable
23
SPACER,CHAIN GUARD
5333254
Unavailable
26
DISC ASM,BRAKE
1910177
Unavailable
31
SPACER,(10)
5210764
Unavailable
31
SHIM,.010,GEARCASE
5211065
Unavailable
31
SHIM,(.030)
5211517
Unavailable
32
BOLT,CARRIAGE(10)
7515484
Unavailable
