- Partiron
- OEM Parts
- Polaris
- ATV
- 1996
- MAGNUM 4X4 - W968144
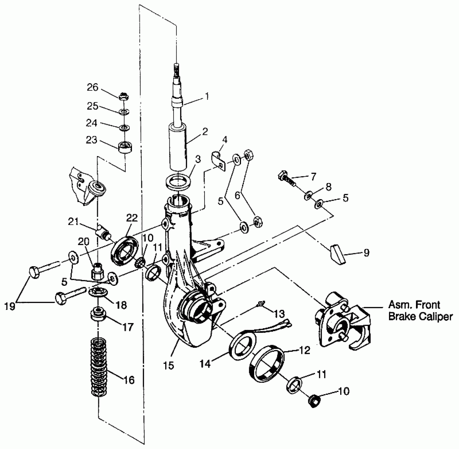
FRONT STRUT Magnum 4x4 W968144 and Swedish Magnum 4x4 S968144 (4936053605B004)
Polaris MAGNUM 4X4 - W968144 FRONT STRUT Magnum 4x4 W968144 and Swedish Magnum 4x4 S968144 (4936053605B004) Diagram
#
Description
Price
1
BUMPER, STRUT Substituted by 5411468
5410791
Unavailable
2
STRUT,FRONT,32MM. Substituted by 7041755
7041374
Unavailable
9
RETAINER,WIRE,STRUT CAST
5810439
Unavailable
15
HUBSTRUT ASM,LH,HVY. Substituted by 2200975
2200609
Unavailable
15
HUBSTRUT ASM,RH,HVY. Substituted by 2200976 (Incl. 9, 11-14, 22)
2200610
Unavailable
17
RETAINER,SPRING,TOP
5220602
Unavailable
18
PIVOT BALL,BOTTOM Substituted by 5432871
5430807
Unavailable
21
Asm., Drive Shaft w/Sleeve (See Pg. B13 or B14, Ref. 13)
-------
Unavailable
23
PIVOT BALL, TOP Substituted by 5432872
5430806
Unavailable
