- Partiron
- OEM Parts
- Polaris
- ATV
- 1996
- MAGNUM 4X4 - W968144
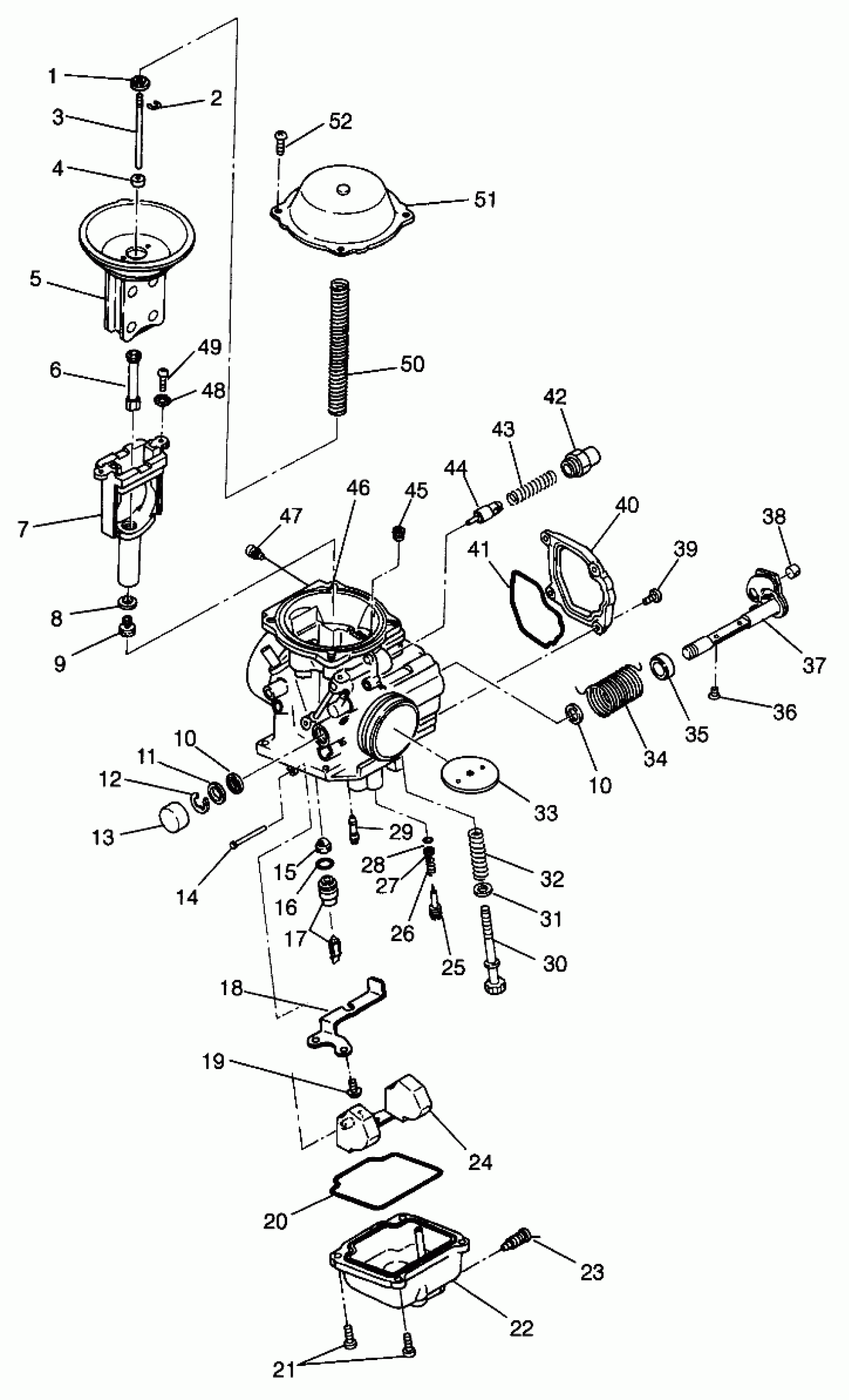
CARBURETOR Magnum 4X4 W968144 and Swedish Magnum 4X4 S968144 (4936053605D006)
Polaris MAGNUM 4X4 - W968144 CARBURETOR Magnum 4X4 W968144 and Swedish Magnum 4X4 S968144 (4936053605D006) Diagram
#
Description
Price
3
JET NEEDLE(5F81-3) (5F81-3)
3130528
Unavailable
4
RING Substituted by 3130752
3130509
Unavailable
5
DIAPHRAGM ASM.
3130506
Unavailable
11
PACKING
-------
Unavailable
17
VALVE,NEEDLE,(1.5) Substituted by 3130531 (1.5)
3130668
Unavailable
46
CARBURETOR Substituted by 3130724 (Incl. 1-52)
3130500
Unavailable
52
SCREW-MIKUNI C2=0408
3130592
Unavailable
