- Partiron
- OEM Parts
- Polaris
- ATV
- 1995
- MAGNUM 4X4 - W958144
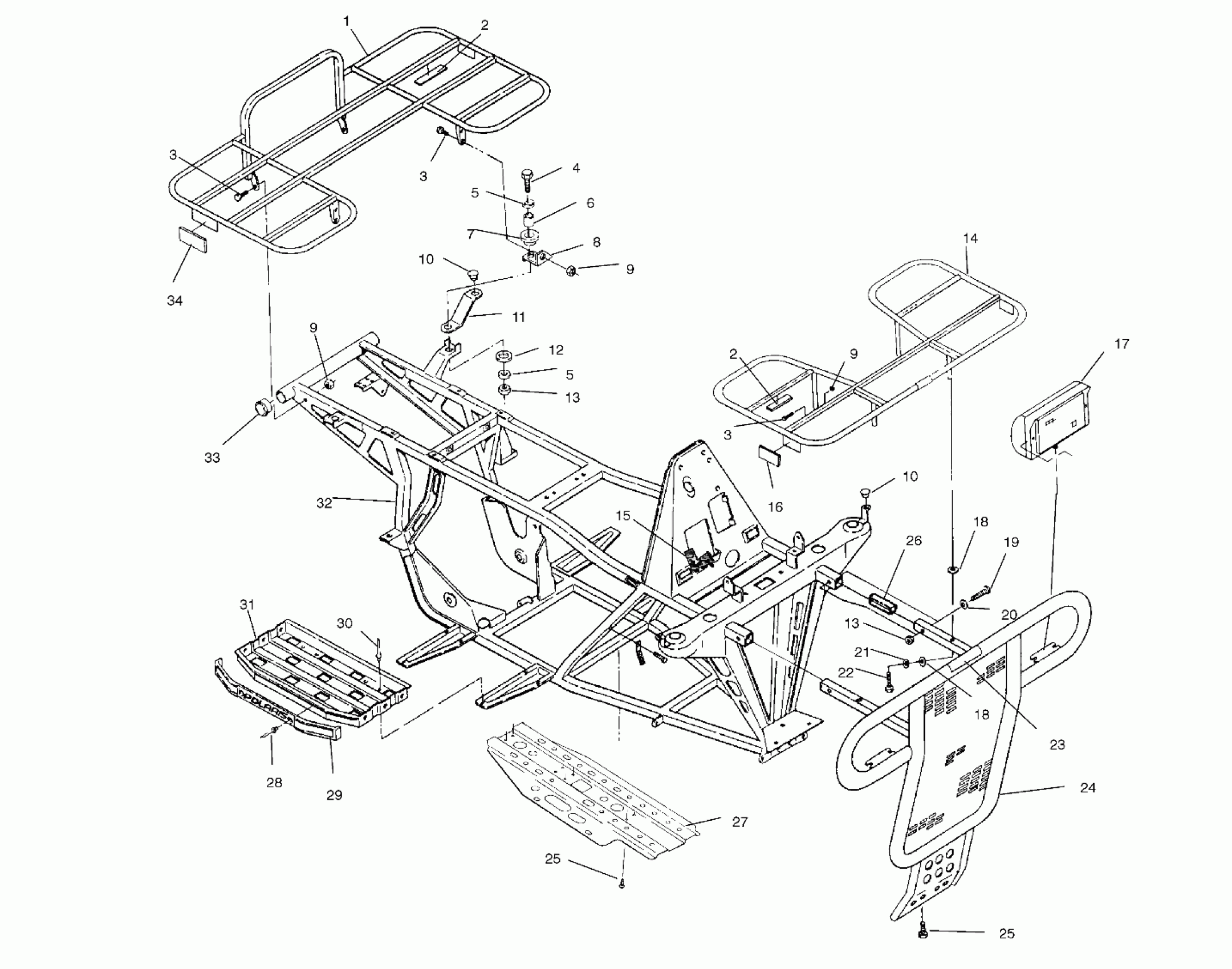
BUMPER/RACK MOUNTING - W958144 (4926862686a008)
Polaris MAGNUM 4X4 - W958144 BUMPER/RACK MOUNTING - W958144 (4926862686a008) Diagram
#
Description
Price
1
RACK,REAR
2670138-067
Unavailable
3
SCREW(10)
7515355
Unavailable
3
SCREW(10)
7515355
Unavailable
3
SCREW(10)
7515355
Unavailable
8
BRKT,LH SUPPORT RACK Substituted by 5243468-067
5220899-067
Unavailable
8
BRKT,RH SUPPORT RACK Substituted by 5243469-067
5220901-067
Unavailable
10
PLUG,RUBBER-HOLE,.5DIA(10) Substituted by 5411426
5410012
Unavailable
10
PLUG,RUBBER-HOLE,.5DIA(10) Substituted by 5411426
5410012
Unavailable
14
RACK,FRT.BLK.
2670137-067
Unavailable
15
TRIM,EDGE,6FT,BLACK [No Longer Available]
5521131
Unavailable
17
HEADLIGHT ASM (35.5W)
4032067
Unavailable
23
DECAL,MACPHERSON STRUT
7074220
Unavailable
24
BUMPER,FR,BLK. Substituted by 2670190-067
2670159-067
Unavailable
26
PLUG, FRAME
5810467
Unavailable
29
Trim, Footrest
5431484
Unavailable
31
FOOTPAD,RH,BLK.
1040351-067
Unavailable
