- Partiron
- OEM Parts
- Polaris
- ATV
- 2004
- MAGNUM 330 4X4 - A04CD32AA
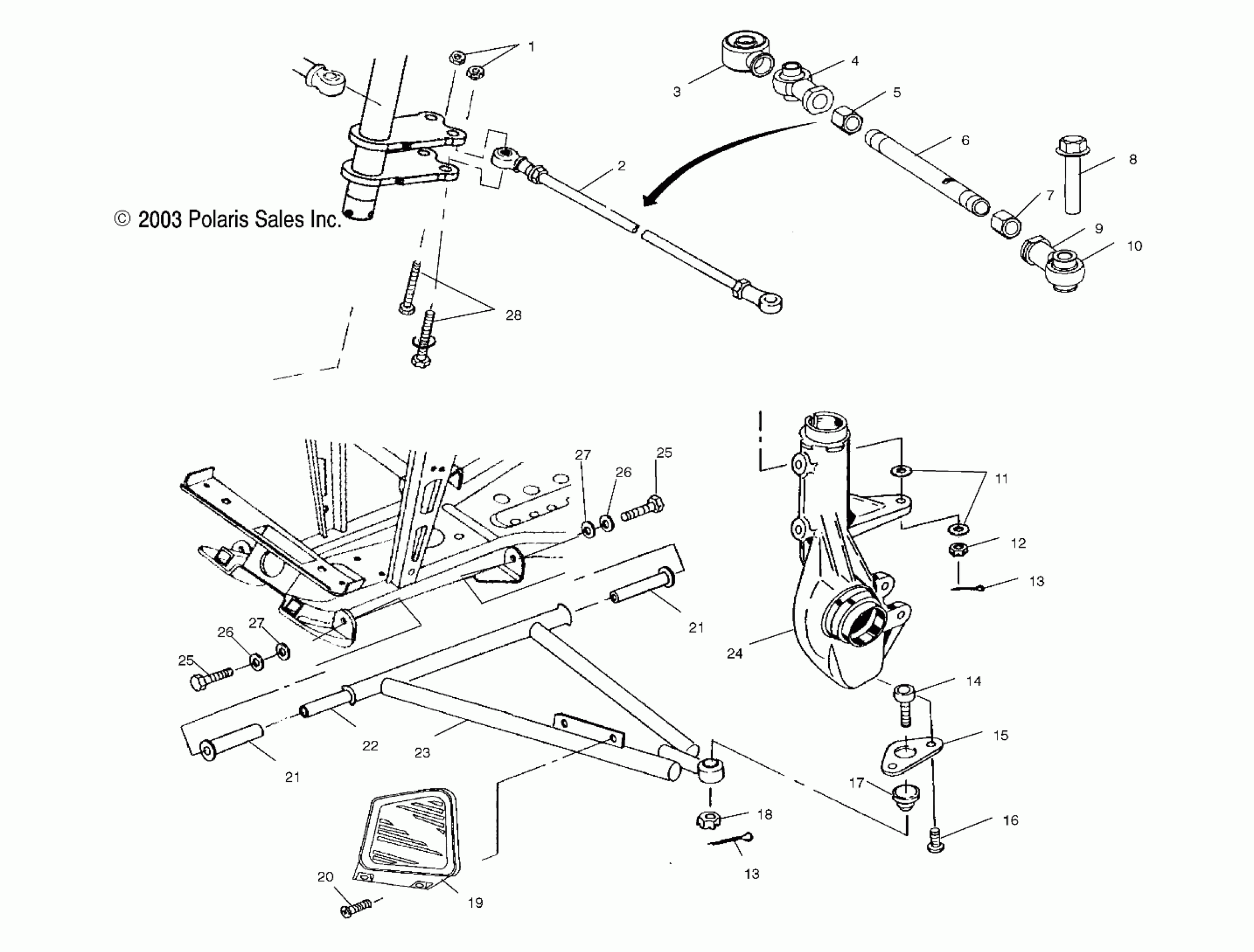
A-ARM/STRUT MOUNTING - A04CD32AA/AB/AC/FB (4986268626C02)
Polaris MAGNUM 330 4X4 - A04CD32AA A-ARM/STRUT MOUNTING - A04CD32AA/AB/AC/FB (4986268626C02) Diagram
#
Description
Price
2
Asm., Tie Rod [Incl. 3-9]
1820805
Unavailable
3
Boot, Seal, Rod End
5411291
Unavailable
9
Rod End, LH
7061054
Unavailable
10
Boot, Seal, Rod End
5411920
Unavailable
17
Boot, Rubber
5410548
Unavailable
19
Shield, CV Joint, LH [AA][AB][AC]
5431150-070
Unavailable
24
ASM., HUBSTRUT [SEE FRONT STRUT PAGE FOR DETAILS]
-------
Unavailable
