MAGNUM 330 2X4 - A05CB32AA
A-ARM and STRUT MOUNTING - A05CB32AA (4999200489920048B11)
AIR BOX - A05CB32AA (4994889488B03)
CARBURETOR - A05CB32AA (4994839483C10)
CLUTCH COVER - A05CB32AA (4997869786C13)
CONTROLS - MASTER CYLINDER/BRAKE LINE - A05CB32AA (4994889488B04)
CONTROLS-THROTTLE ASM/CABLE - A05CB32AA (4994889488B07)
CRANKCASE - A05CB32AA (4999201699920169C12)
CRANKSHAFT and PISTON - A05CB32AA (4999201699920169D02)
CYLINDER - A05CB32AA (4999201699920169D01)
DECALS - A05CB32AA (4994889488A09)
DRIVE CLUTCH - A05CB32AA (4994139413C07)
DRIVEN CLUTCH - A05CB32AA (4999200059920005C06)
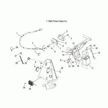
ELECTRICAL/TAILLIGHT - A05CB32AA (4994889488C02)
ENGINE MOUNTING - A05CB32AA (4994889488A11)
EXHAUST SYSTEM - A05CB32AA (4994889488A10)
FRONT BRAKE - A05CB32AA (4999206649920664B04)
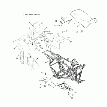
FRONT CAB - A05CB32AA (4994889488A05)
FRONT RACK and BUMPER MOUNTING - A05CB32AA (4994889488A07)
FRONT WHEEL - A05CB32AA (4994889488B06)
FUEL PUMP - A05CB32AA (4999200099920009D11)
FUEL TANK and CARBURETOR MOUNTING - A05CB32AA (4994889488A13)
GEAR SELECTOR - A05CB32AA (4994889488C05)
GEARCASE - A05CB32AA (4986188618C05)
HANDLEBAR - A05CB32AA (4994889488C01)
HOUSING, REAR - A05CB32AA (4999201699920169C07)
INTAKE and EXHAUST - A05CB32AA (4999201699920169D03)
MAGNETO - A05CB32AA (4999202939920293C13)
OIL COOLING - A05CB32AA (4994889488A08)
OIL PUMP and OIL FILTER - A05CB32AA (4999201699920169D05)
REAR BRAKE - A05CB32AA (4994889488B01)
REAR CAB and SEAT - A05CB32AA (4994889488A03)
REAR RACK MOUNTING - A05CB32AA (4994889488A06)
REAR WHEEL DRIVE - A05CB32AA (4999201699920169C02)
RECOIL STARTER - A05CB32AA (4995019501D10)
SHOCK MOUNTING - A05CB32AA (4999201699920169C10)
STARTING MOTOR - A05CB32AA (4999201699920169D07)
STEERING POST - A05CB32AA (4994839483B06)
STRUT - A05CB32AA (4949354935b008)
SWING ARM/REAR/GEARCASE MOUNTING - A05CB32AA (4994889488C07)
TOOL KIT - A05CB32AA (4975157515D07)
TRANSMISSION MOUNTING - A05CB32AA (4994889488C09)
Fuel Your Passion
Parts That Keep You Riding
Edit ride