- Partiron
- OEM Parts
- Polaris
- ATV
- 2003
- MAGNUM 330 2X4 - A03CB32AA
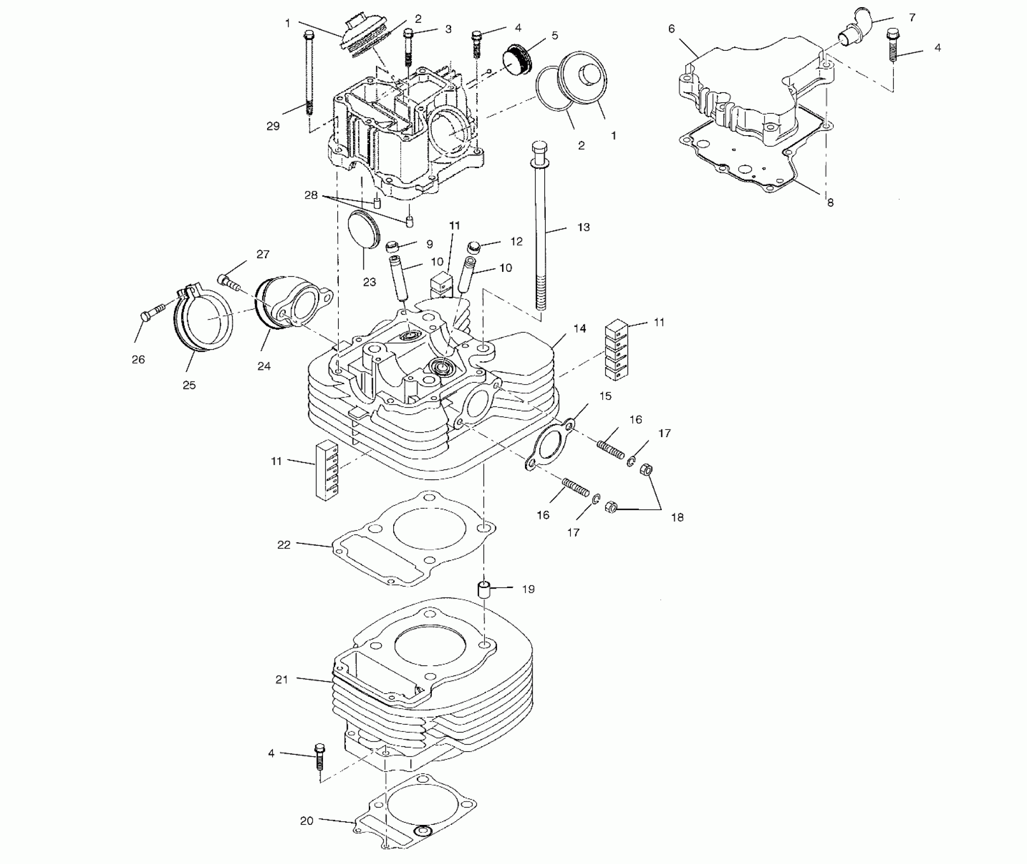
CYLINDER - A03CB32AA/FC (4975157515C11)
Polaris MAGNUM 330 2X4 - A03CB32AA CYLINDER - A03CB32AA/FC (4975157515C11) Diagram
#
Description
Price
1
Cover, Valve
3087259
Unavailable
1
Cover, Valve
3087259
Unavailable
4
Bolt, Flange
3087158
Unavailable
4
Bolt, Flange
3087158
Unavailable
4
Bolt, Flange
3087158
Unavailable
5
Plug, Cylinder Block
3086417
Unavailable
15
Gasket, Exhaust
3086421
Unavailable
16
Stud
3085326
Unavailable
16
Stud
3085326
Unavailable
18
Nut
3086787
Unavailable
19
Pin, Straight
3084838
Unavailable
23
Gasket, Cam
3086416
Unavailable
27
Bolt
3086786
Unavailable
29
Bolt, Flange
3087160
Unavailable
