- Partiron
- OEM Parts
- Polaris
- ATV
- 1997
- MAGNUM 2X4 - W97AA42A
ELECTRICAL/TAILLIGHT Magnum 2X4 W97AA42A (4940704070C003)
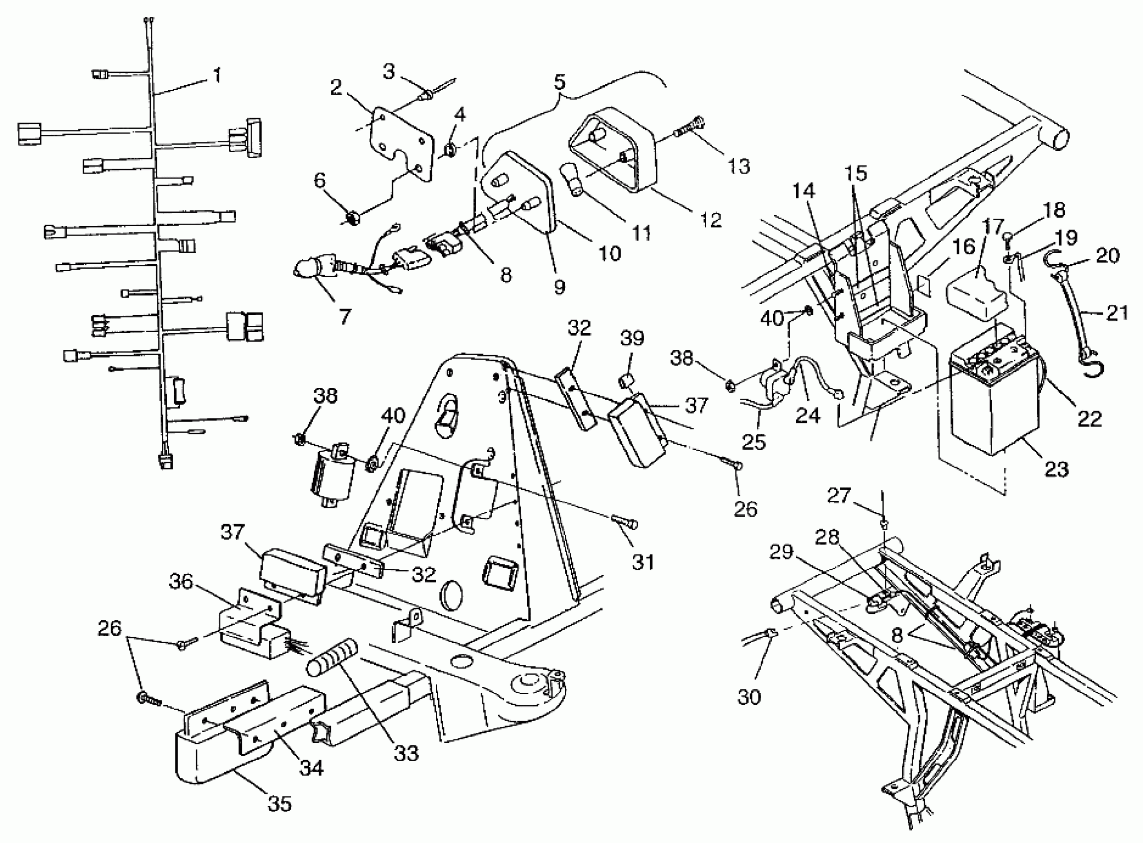
Polaris MAGNUM 2X4 - W97AA42A ELECTRICAL/TAILLIGHT Magnum 2X4 W97AA42A (4940704070C003) Diagram
#
Description
Price
1
HARNESS,MAIN WIRE
2460609
Unavailable
16
DECAL, BATTERY [No Longer Available]
7072606
Unavailable
19
CABLE,BATT/ENG.,BLK.
4010095
Unavailable
21
STRAP,BATTERY HOLDDOWN
5410424
Unavailable
24
CABLE,BATT/SOLENOID,RED
4010094
Unavailable
28
CLAMP,BLK,5/16 PLASTIC(10)
7080524
Unavailable
29
POWER ASM,12V
2410022
Unavailable
32
HEAT SINK
5210650
Unavailable
32
HEAT SINK
5210650
Unavailable
33
TUBING,CONVOLUTED,3/4"
8360011-15
Unavailable
34
HEATSINK RECT.
5131036
Unavailable
35
RECTIFIER,LR-37
4060133
Unavailable
36
BRKT,CDI(ATV 400)
5240428
Unavailable
37
LIMITER,RPM,350HZ,LR44-2 Substituted by 4060204
4060159
Unavailable
37
LIMITER,RPM,350HZ,LR44-2 Substituted by 4060204
4060159
Unavailable
39
DESC NOT_AVAILABLE
8360012-13
Unavailable
