- Partiron
- OEM Parts
- Polaris
- ATV
- 1996
- MAGNUM 2X4 - W967544
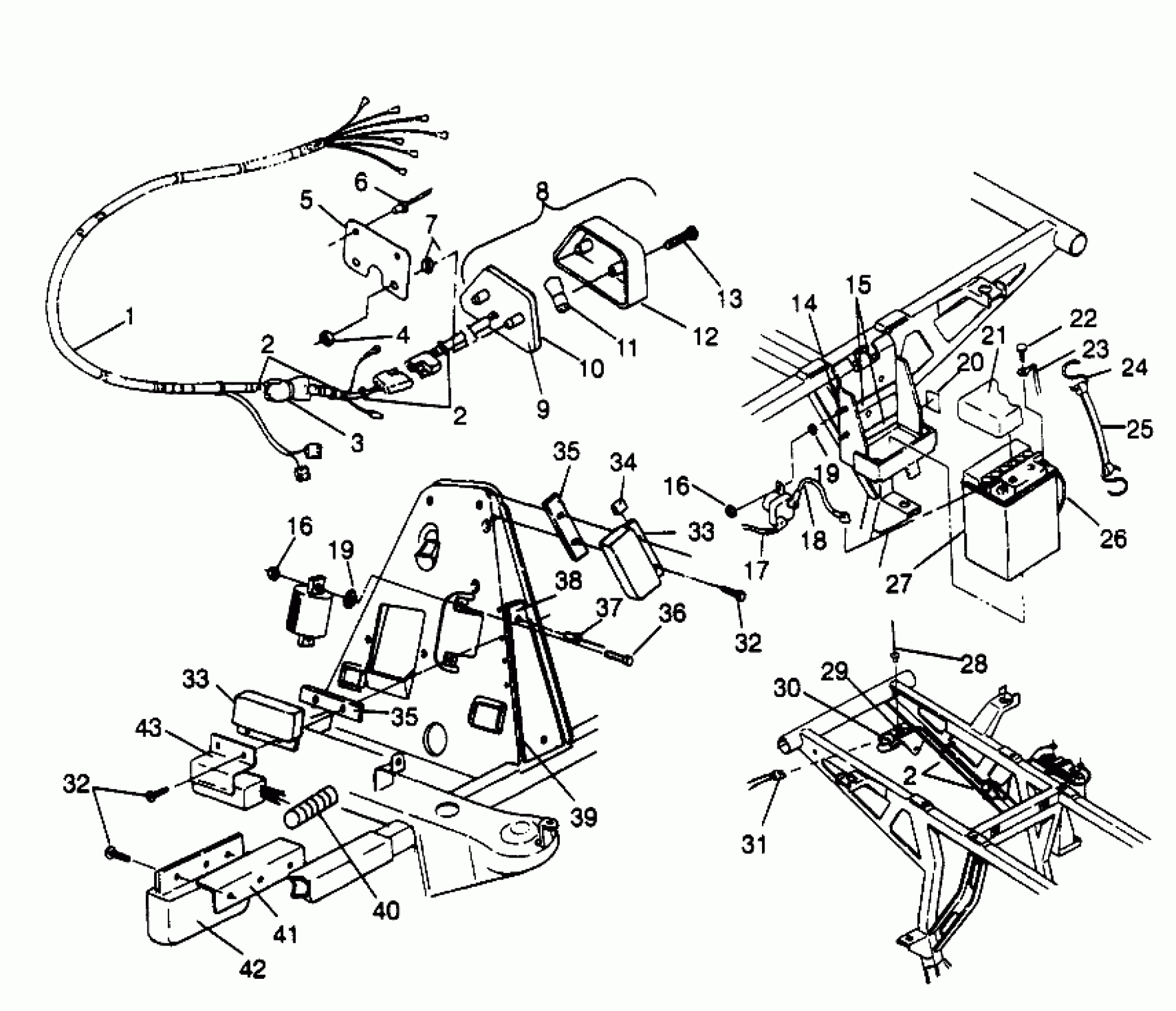
ELECTRICAL/TAILLIGHT Magnum 2X4 W967544 (4936033603C006)
Polaris MAGNUM 2X4 - W967544 ELECTRICAL/TAILLIGHT Magnum 2X4 W967544 (4936033603C006) Diagram
#
Description
Price
1
HARNESS,MAIN WIRE
2460562
Unavailable
18
CABLE,BATT/SOLENOID,RED
4010094
Unavailable
20
DECAL, BATTERY [No Longer Available]
7072606
Unavailable
23
CABLE,BATT/ENG.,BLK.
4010095
Unavailable
25
STRAP,BATTERY HOLDDOWN
5410424
Unavailable
29
CLAMP,BLK,5/16 PLASTIC(10)
7080524
Unavailable
30
POWER ASM,12V
2410022
Unavailable
33
LIMITER,RPM,350HZ. Substituted by 4060203
4060112
Unavailable
33
LIMITER,RPM,350HZ. Substituted by 4060203
4060112
Unavailable
34
DESC NOT_AVAILABLE
8360012-13
Unavailable
35
HEAT SINK
5210650
Unavailable
35
HEAT SINK
5210650
Unavailable
38
BOARD,TERMINAL
4040056
Unavailable
39
SHIELD,TERM.BOARD
5431152
Unavailable
40
TUBING,CONVOLUTED,3/4"
8360011-15
Unavailable
41
HEATSINK RECT.
5131036
Unavailable
42
RECTIFIER,LR-37
4060133
Unavailable
43
BRKT,CDI(ATV 400)
5240428
Unavailable
