- Partiron
- OEM Parts
- Polaris
- ATV
- 1995
- MAGNUM 2X4 - W957544
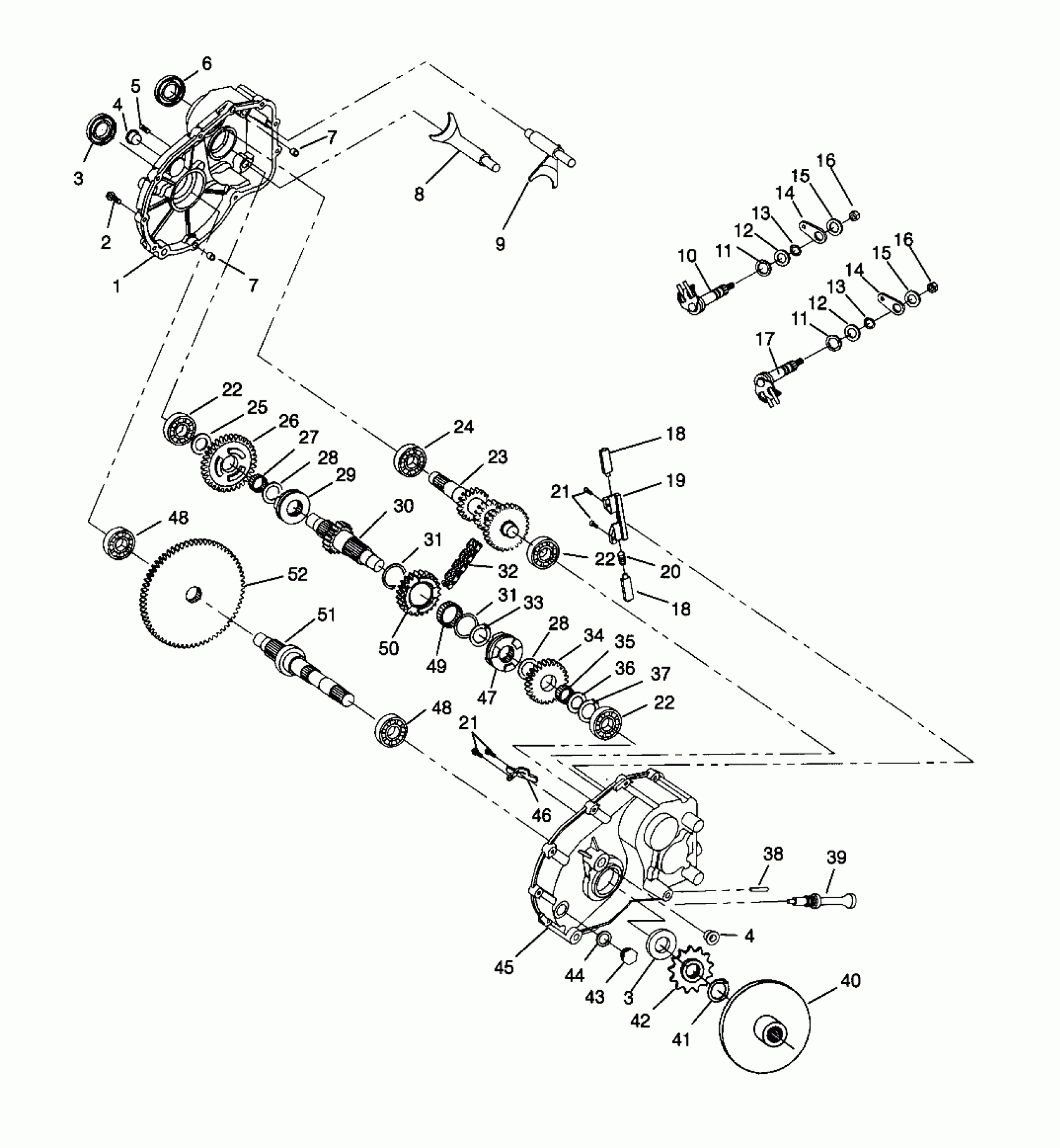
GEARCASE ASSEMBLY Magnum 2x4 W957544 (4926852685C006)
Polaris MAGNUM 2X4 - W957544 GEARCASE ASSEMBLY Magnum 2x4 W957544 (4926852685C006) Diagram
#
-
GEARCASE ASM,MAGNUM 2X4 Substituted by 1341185 (Incl. 1-52)
1341150
Unavailable
1
CASE, LH
3233002
Unavailable
3
SEAL Substituted by 3233248
3233096
Unavailable
3
SEAL Substituted by 3233248
3233096
Unavailable
4
BUSHING,PIVOT
3233024
Unavailable
4
BUSHING,PIVOT
3233024
Unavailable
5
STUD
3233025
Unavailable
7
PIPE, KNOCK
3233021
Unavailable
7
PIPE, KNOCK
3233021
Unavailable
8
SHIFTRAIL,LOW
3233022
Unavailable
9
SHIFTRAIL,HIGH/REV.
3233023
Unavailable
11
O-RING Substituted by 3233548
3233044
Unavailable
11
O-RING Substituted by 3233548
3233044
Unavailable
16
Nut
3233055
Unavailable
16
Nut
3233055
Unavailable
17
SHAFT,HIGH/REV.SHIFT
3233152
Unavailable
21
SCREW Substituted by 3233747
3233033
Unavailable
21
SCREW Substituted by 3233747
3233033
Unavailable
23
SHAFT, INPUT
3233122
Unavailable
25
WASHER
3233007
Unavailable
26
GEAR, 33T
3233125
Unavailable
28
Washer
3233010
Unavailable
28
Washer
3233010
Unavailable
29
DOG,ENGAGEMENT,LOW
3233126
Unavailable
31
WASHER
3233012
Unavailable
31
WASHER
3233012
Unavailable
32
CHAIN,SILENT,34P
3233036
Unavailable
34
GEAR, 25T
3233129
Unavailable
38
Vent
3233037
Unavailable
39
DIPSTICK Substituted by 3233115
3233034
Unavailable
40
DISC ASM,BRAKE
1910177
Unavailable
44
Washer
3233035
Unavailable
45
CASE, RH
3233003
Unavailable
47
DOG,ENGAGEMENT,HI/REV.
3233128
Unavailable
50
SPROCKET, 24T
3233127
Unavailable
51
SHAFT,OUTPUT
3233150
Unavailable
