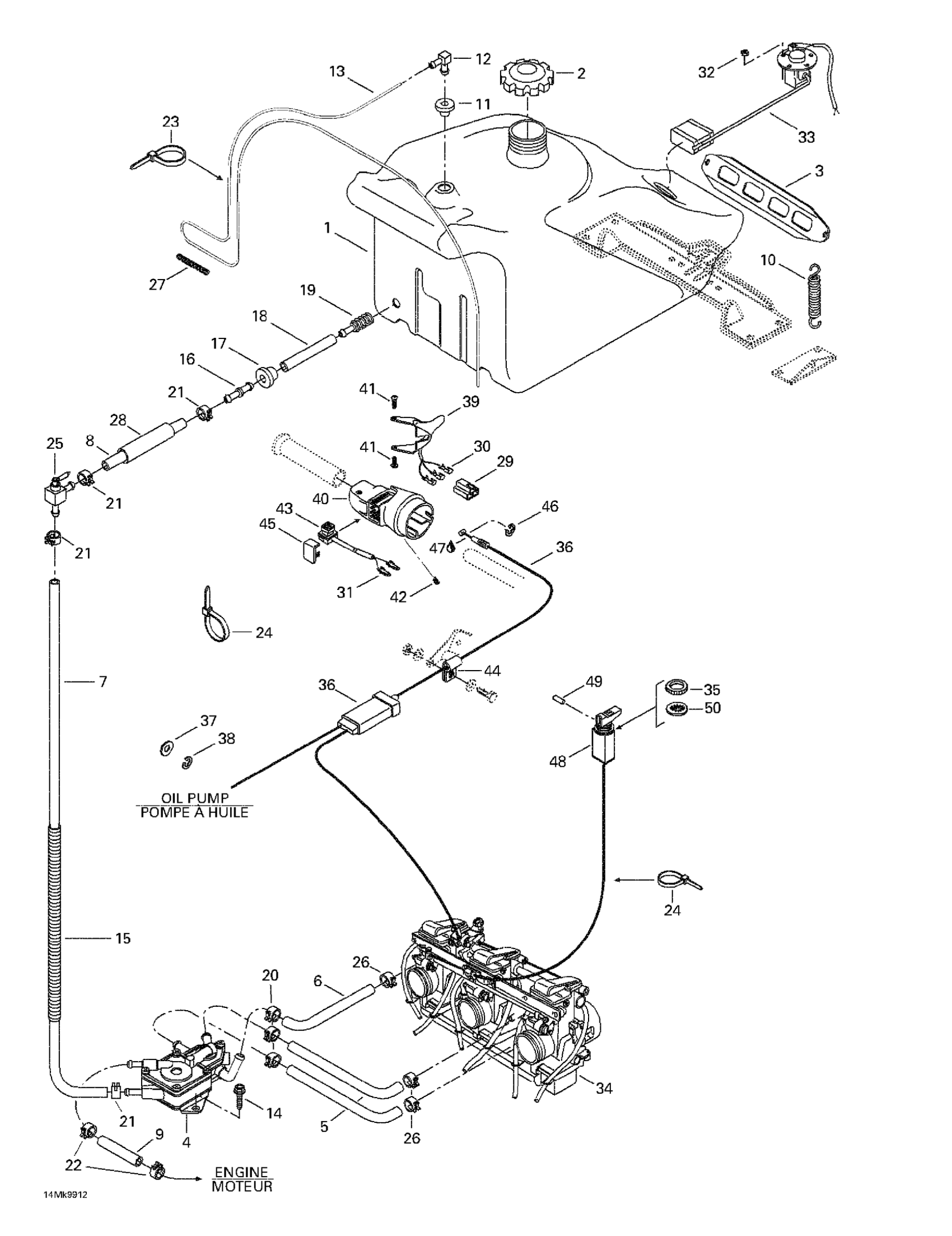
Ski-Doo Mach Z LT R, 1999 Fuel System Diagram
#
Description
Price
1
Fuel Tank
513032926
Unavailable
3
Fuel Tank Bracket
517249200
Unavailable
6
Formed Hose | Formula III 800.
415120800
Unavailable
7
FORMED HOSE - Call your local BRP dealership
513032949
Unavailable
8
HOSE - Call your local BRP dealership
513032965
Unavailable
14
HEX. FLANGED SCREW M5 X 11 - Call your local BRP dealership
210251180
Unavailable
18
POLYURETHANE HOSE 7.6MM - Call your local BRP dealership
415097800
Unavailable
25
Shut-Off Valve
415112200
Unavailable
27
Spring
513032961
Unavailable
28
Hose (Rubber)
513032941
Unavailable
29
Female Terminal Housing (3 circuits)
409008500
Unavailable
30
FEMALE TERMINAL - Call your local BRP dealership
515175253
Unavailable
31
MALE TERMINAL - Call your local BRP dealership
409210000
Unavailable
33
Fuel Sensor Ass'y | Includes 46 - 49.
415080800
Unavailable
34
Carburetor Kit TM38-C224 | Includes 1 - 76.
403138555
Unavailable
35
NUT-PLASTIC - Call your local BRP dealership
512059364
Unavailable
36
Throttle Cable | Formula III 800.
512059059
Unavailable
39
Heat Throttle Handle (26 mm) | Formula III 800.
572073300
Unavailable
40
Throttle Handle Housing
572098800
Unavailable
48
Choke Cable Ass'y | Includes 13 - 14.
561205500
Unavailable
49
Spring Pin
372118400
Unavailable
50
Lock Washer, Interior Teeth
394103300
Unavailable
