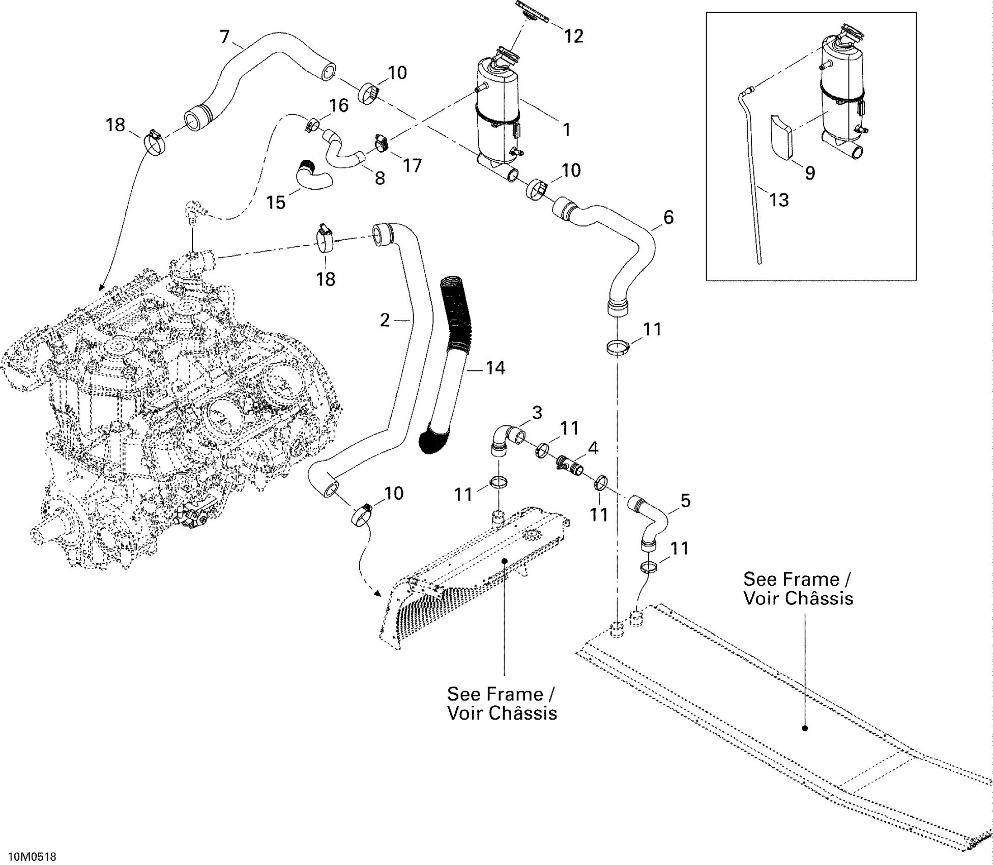
Ski-Doo Mach Z 1000 SDI, 2005 Cooling System Diagram
#
Description
Price
1
Coolant Tank
509000323
Unavailable
2
Engine Outlet Hose
509000312
Unavailable
3
FRONT RADIATOR OUTLET HOSE - Call your local BRP dealership
509000337
Unavailable
5
RADIATOR INLET HOSE - Call your local BRP dealership
509000338
Unavailable
6
RADIATOR OUTLET HOSE - Call your local BRP dealership
509000313
Unavailable
7
ENGINE INLET HOSE - Call your local BRP dealership
509000351
Unavailable
8
BLEED HOSE - Call your local BRP dealership
509000297
Unavailable
9
FOAM - Call your local BRP dealership
509000353
Unavailable
10
TRIDON GEAR CLAMP - Call your local BRP dealership
408800400
Unavailable
18
ABA GEAR CLAMP - Call your local BRP dealership
509000352
Unavailable
