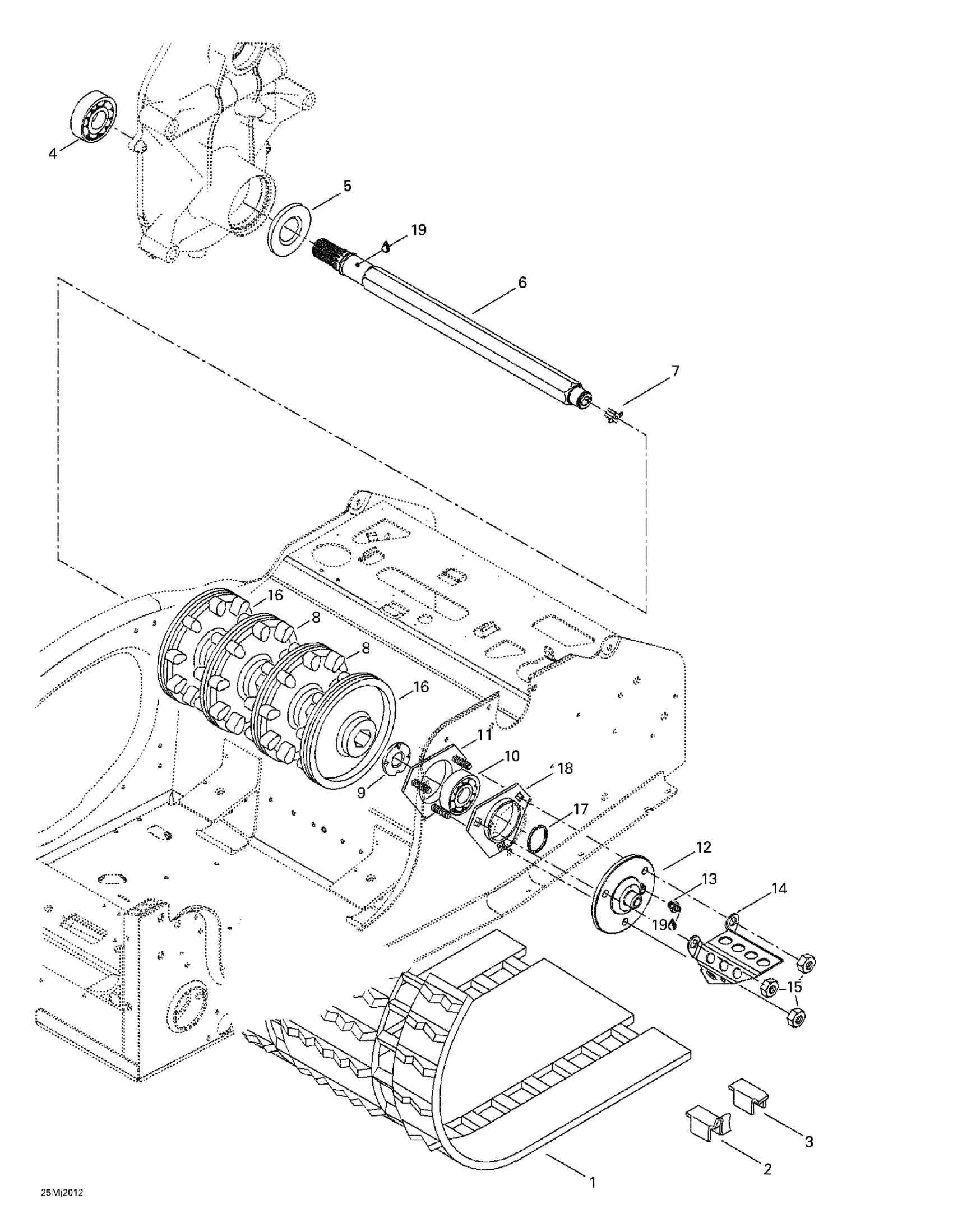
Ski-Doo Mach 1 R, 2000 Drive Axle And Track Diagram
#
Description
Price
4
Ball Bearing 6206 | Formula 500 LC.
405403900
Unavailable
5
OIL SEAL - Call your local BRP dealership
504151925
Unavailable
6
Drive Axle
501026500
Unavailable
7
SPEEDO DRIVE INSERT - Call your local BRP dealership
572010100
Unavailable
8
9 Tooth Sprocket
414663900
Unavailable
9
BEARING PROTECTOR - Call your local BRP dealership
501017400
Unavailable
11
BEARING HOUSING - Call your local BRP dealership
504151860
Unavailable
12
Flange, Speedo Drive Insert
504151836
Unavailable
14
CABLE PROTECTOR - Call your local BRP dealership
517290100
Unavailable
16
9 Tooth Half Sprocket
414990800
Unavailable
18
FLANGE - Call your local BRP dealership
501025000
Unavailable
19
SYNTHETIC GREASE, 400 G - Call your local BRP dealership
219700417
Unavailable
